EasyManua.ls Logo

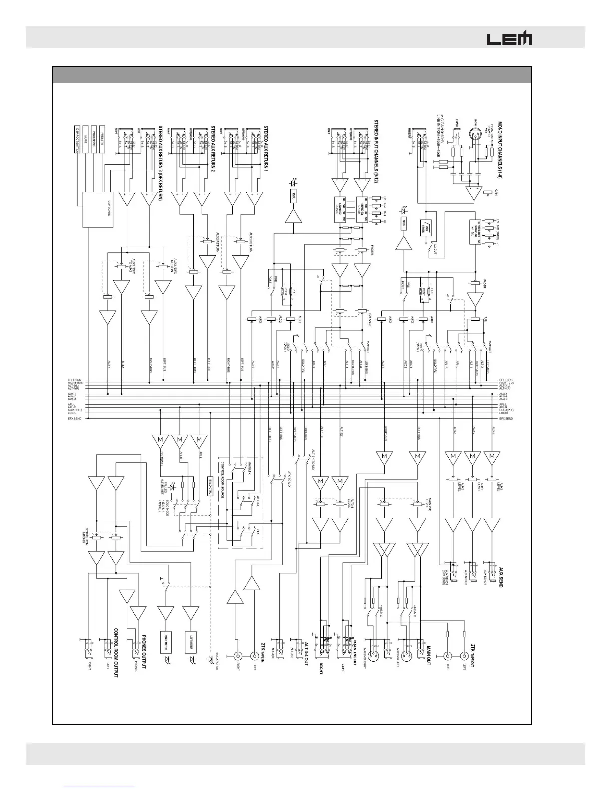
LEM RD 122 FX - Block Diagram

Default Icon
Print Icon
To Next Page IconTo Next Page
To Next Page IconTo Next Page
To Previous Page IconTo Previous Page
To Previous Page IconTo Previous Page
Loading...
20
rd 122 & rd 122 fx
PIC/FIG. 9 - BLOCK DIAGRAM

Related product manuals