EasyManua.ls Logo

Lennox EMEA FLATAIR2 - Refrigeration Drawings

Lennox EMEA FLATAIR2
20 pages
Print Icon
To Next Page IconTo Next Page
To Next Page IconTo Next Page
To Previous Page IconTo Previous Page
To Previous Page IconTo Previous Page
Loading...
• 14 •
CH
B12B11
Acumulador
Aspiración
Compresor
Scroll BLDC
Válvula expansión
electrónica
Filtro secador
CH
B12
B11
Acumulador
Aspiración
Compresor
Scroll BLDC
Filtro secador
UNIDAD EXTERIORUNIDAD INTERIOR
Separador de aceite
Filtro secador
Válvula 4 vías
Válvula 4 vías
Válvula retención
Válvula retención
Válvula expansión
electrónica
Válvula expansión
electrónica
BS1
BS1
BS14
BS14
B13
B13
BS13
BS13
B13_1
BS13_1
BS4
BS4
BS2
BS2
Ventilador
PLUG FAN
Ventilador
PLUG FAN
Ventilador
PLUG FAN
Ventilador
PLUG FAN
BS1
B11 BS14
B12 BS13
B13 BS13_1
B13_1 BS4
CH BS2
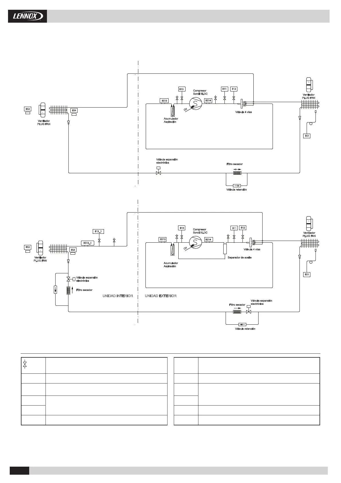
Installation Manual • FLATAIR ADV2 IOM-MIL161E-0920-09/2020
1.7. PIPING DRAWINGS
FASH/FAIH020 & FASH/FAIH035
SPLIT UNITS
FAMH020 & FAMH035
PACKAGED UNITS
1. GENERAL CHARACTERISTICS
Pressure gauge
(5/16" to be tted by the installer)
Outdoor temperature sensor
High pressure switch Unloading sensor
High pressure transducer
Suction sensor
Low pressure transducer
Air return sensor
Crankcase heater Impulsion air sensor