EasyManua.ls Logo

Lennox 95G2UHV

Lennox 95G2UHV
58 pages
To Next Page IconTo Next Page
To Next Page IconTo Next Page
To Previous Page IconTo Previous Page
To Previous Page IconTo Previous Page
Loading...
507266-05Page 46 of 58 Issue 1933
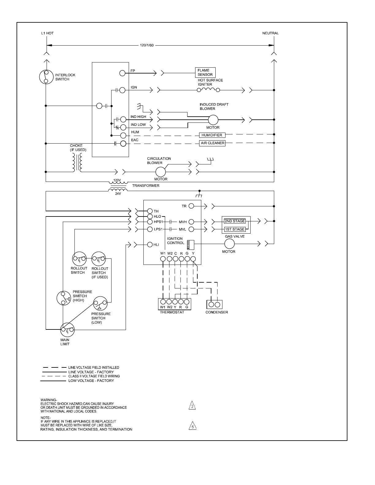
Figure 72. Typical Field Wiring Diagram
WARNING:
ELECTRIC SHOCK HAZARD, CAN CAUSE
INJURY OR DEATH. UNIT MUST BE GROUNDED
IN ACCORDANCE WITH NATIONAL AND LOCAL
CODES
NOTE: IF ANY WIRE IN THIS APPLIANCE IS
REPLACED, IT MUST BE REPLACED WITH WIRE OF
LIKE SIZE, RATING, INSULATION THICKNESS AND
TERMINATION
FIELD SUPPLIED ACC. WIRE
S145 IS USED WITH HONEYWELL GAS VALVE
WHEN APPLIED IN LP GAS UNITS

Related product manuals