EasyManua.ls Logo

Lennox CHP16-060

Lennox CHP16-060
67 pages
To Next Page IconTo Next Page
To Next Page IconTo Next Page
To Previous Page IconTo Previous Page
To Previous Page IconTo Previous Page
Loading...
Page 63
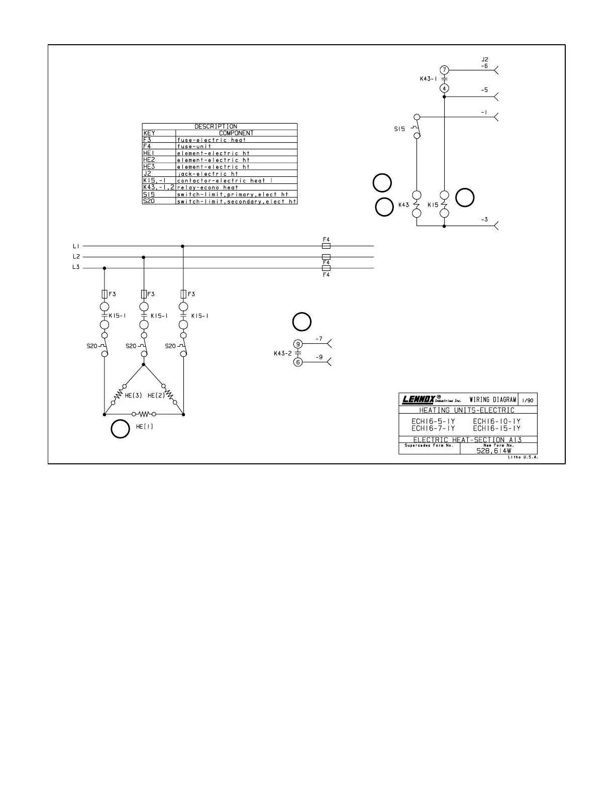
ECH16-5/7/10/15kW Y VOLTAGE
1
2
3
4
5
ECH16-5 /15kW Y VOLTAGE SEQUENCE OF OPERATION
NOTE - Call for heat is first stage heat for CHA16 units and second stage heat for CHP16/20 units.
1- On a call for second stage heat, relay K43 is energized.
K43-1 closes immediately.
2- When K43-1 closes, heat relay K15 is energized.
K15-1 closes immediately.
3- K43-2 closes but nothing happens as indoor blower is
already energized from first stage heat call.
4- When K15-1 closes, heating elements HE1, HE2 and
HE3 are energized.
5- When heating demand is satified, heat relay K43 is de-
energized. All heating elements de-energize immediĆ
ately.

Related product manuals