EasyManua.ls Logo

Lennox ECOLEAN EAC Series - Page 19

Lennox ECOLEAN EAC Series
42 pages
Print Icon
To Next Page IconTo Next Page
To Next Page IconTo Next Page
To Previous Page IconTo Previous Page
To Previous Page IconTo Previous Page
Loading...
17
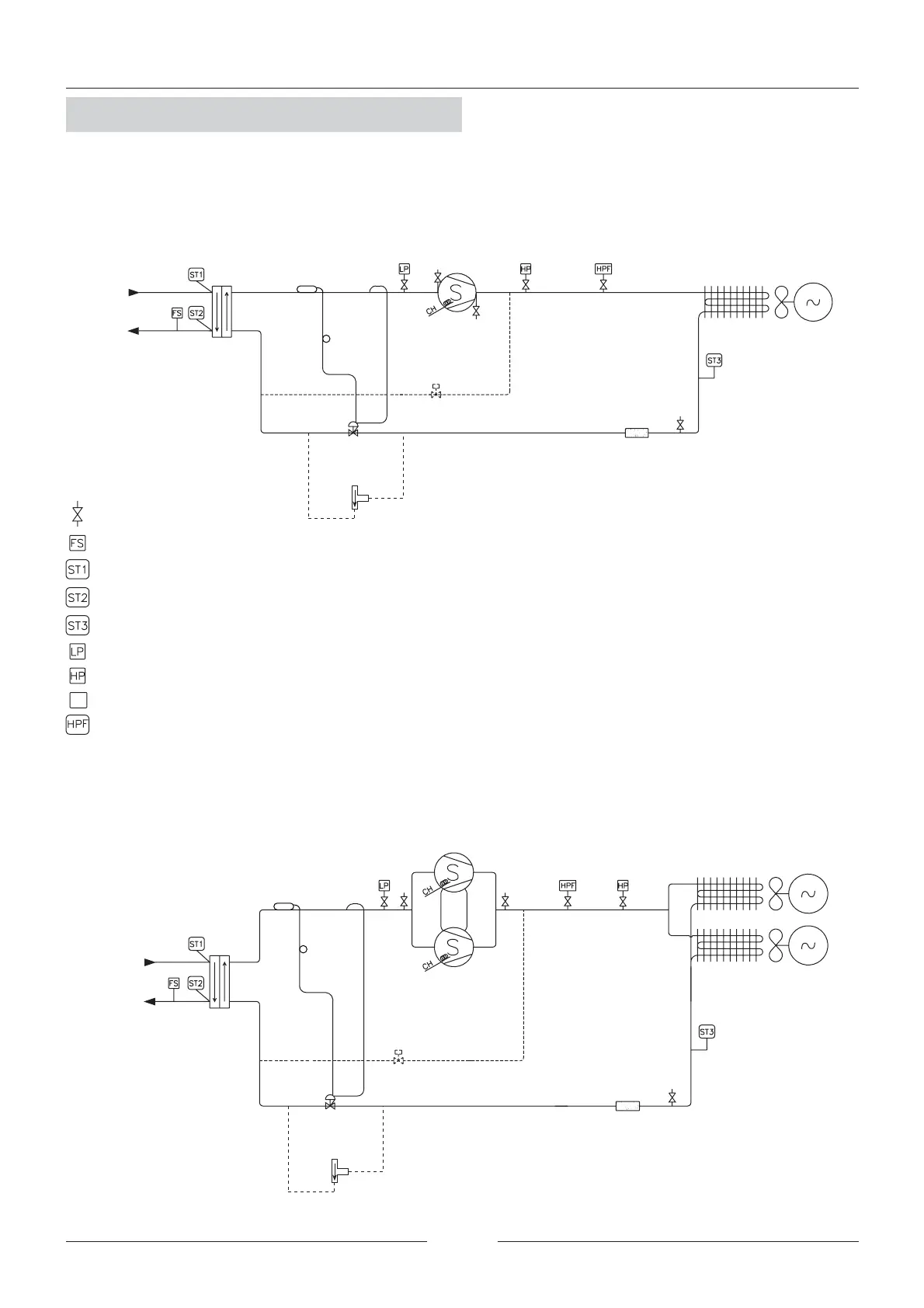
Flow switch (option in standard version)
High pressure switch
High pressure fan (Low ambient temperature -15ºC (option))
Plate exchanger
Filter
drier
Coil
Fan motor
Hot gas injection valve
(option)
Water
inlet
Water
outlet
Scroll compressor
Scroll compressor
Scroll compressor
Water
inlet
Water
outlet
Plate exchanger
Coil
Fan motor
Hot gas injection valve
(option)
SV
SV
(By-pass valve.
Low ambient temperature -15ºC
(option))
BPV
(By-pass valve.
Low ambient temperature -15ºC
(option))
BPV
Filter
drier
1.- GENERAL CHARACTERISTICS
1.8.- PIPING DRAWINGS
COOLING ONLY UNITS EAC 0091S TO 0431S
COOLING ONLY UNITS EAC 0472S TO 0812S
Pressure gauge
Water inlet probe (water inlet regulation)
Water outlet probe (anti-freeze protection)
Piping probe (fan speed regulation)
Low pressure switch
CH
Crank case heater
Expansion
valve
Expansion
valve

Other manuals for Lennox ECOLEAN EAC Series

Related product manuals