EasyManua.ls Logo

Lennox ECOLEAN EAC Series - Page 20

Lennox ECOLEAN EAC Series
42 pages
Print Icon
To Next Page IconTo Next Page
To Next Page IconTo Next Page
To Previous Page IconTo Previous Page
To Previous Page IconTo Previous Page
Loading...
18
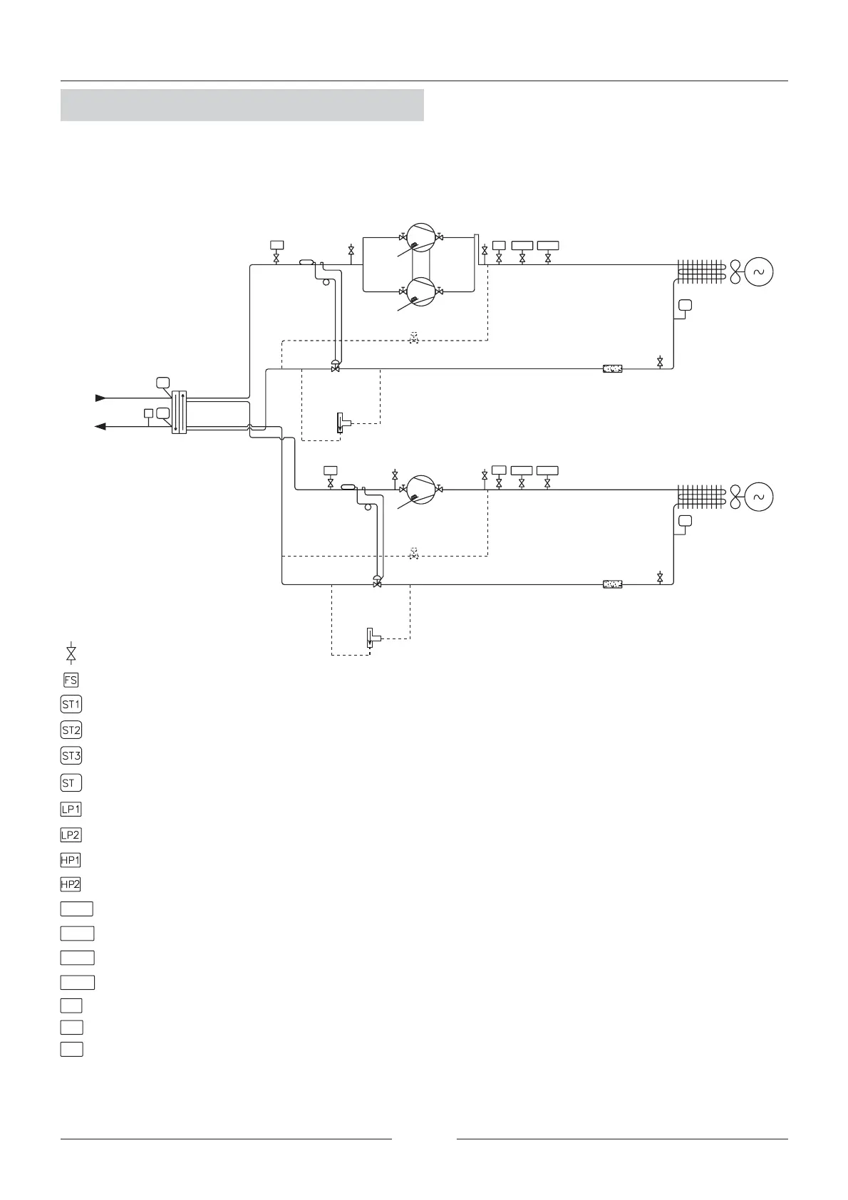
Condensing pressure control. Low/high speed
HPR12
Flow switch (option in standard version)
Condensing pressure control ON/OFF fan motor
6
Piping probe circuit 2 (condensing temperature visualization)
CH2
CH3
Plate exchanger
Water
inlet
Water
outlet
Scroll compressor
Scroll
compressor
Coil
Coil
Fan motor
Fan motor
Expansion
valve
Hot gas injection valve
(option)
SV1
Scroll
compressor
Hot gas injection valve
(option)
Filter
drier
Filter
drier
(By-pass valve.
Low ambient temperature -15ºC
(option))
BPV
(By-pass valve.
Low ambient temperature -15ºC
(option))
BPV
SV2
Expansion
valve
1.- GENERAL CHARACTERISTICS
1.8.- PIPING DRAWINGS
COOLING ONLY UNITS EAC 1003S TO 1303S
HPR11
HPR21
HPR22
CH1
Crank case heater
Crank case heater
Water inlet probe (water inlet regulation)
Water outlet probe (anti-freeze protection)
Piping probe circuit 1 (condensing temperature visualization)
Low pressure switch cooling cycle circuit 1
Low pressure switch cooling cycle circuit 2
High pressure switch circuit 2
High pressure switch circuit 1
Condensing pressure control. Low/high speed
Condensing pressure control ON/OFF fan motor
Crank case heater
Pressure gauge
HPR11 HPR12
S
CH 3
S
CH 2
S
CH 1
ST1
ST2
FS
LP2
LP1
ST6
HP2
ST3
HP1
HPR21 HPR22

Other manuals for Lennox ECOLEAN EAC Series

Related product manuals