EasyManua.ls Logo

Lennox EL296DFV - Page 46

Lennox EL296DFV
68 pages
To Next Page IconTo Next Page
To Next Page IconTo Next Page
To Previous Page IconTo Previous Page
To Previous Page IconTo Previous Page
Loading...
Page 46
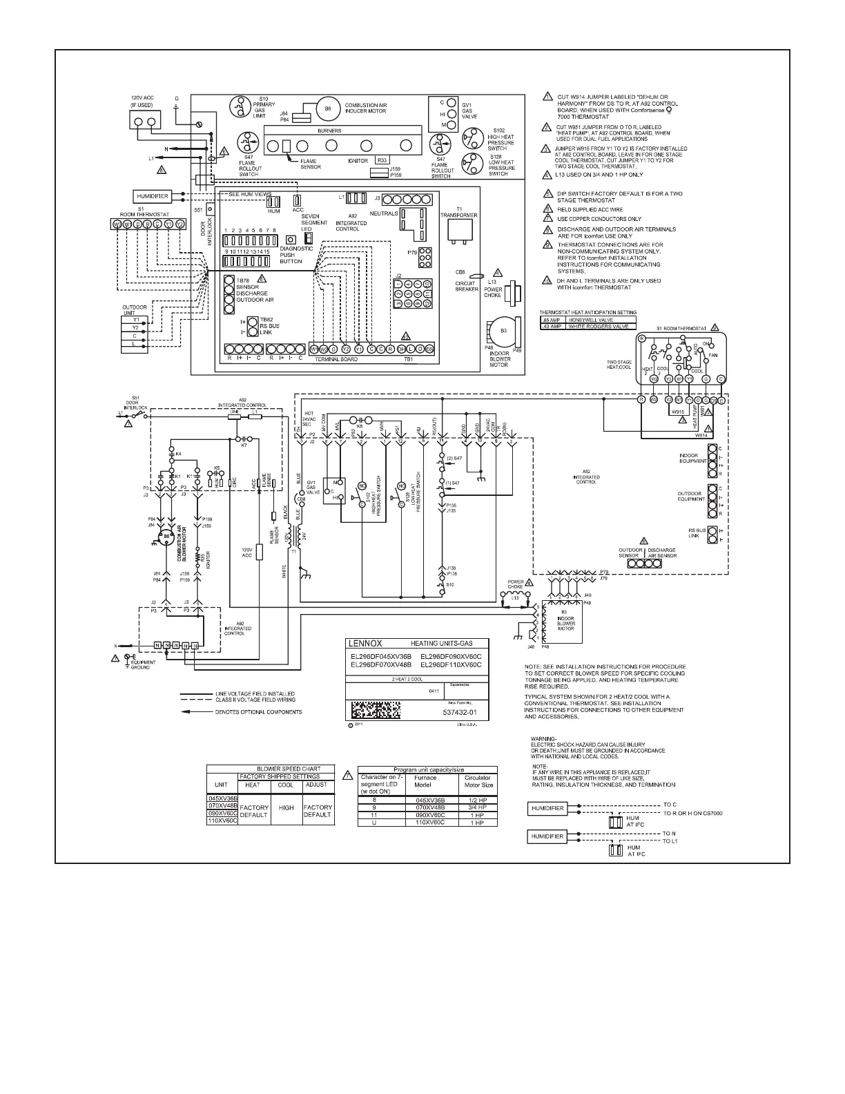
FIGURE 59
EL296DFV Schematic Wiring Diagram

Related product manuals