EasyManua.ls Logo

Lennox G21Q3-80 - Important Directions; Clearance and Flammable Materials; Airflow Requirements; Return Air Source Caution

Lennox G21Q3-80
99 pages
Print Icon
To Next Page IconTo Next Page
To Next Page IconTo Next Page
To Previous Page IconTo Previous Page
To Previous Page IconTo Previous Page
Loading...
Page 3
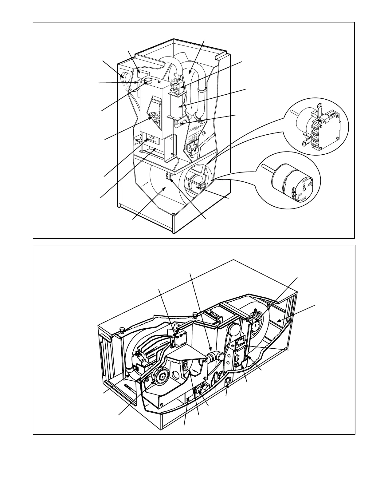
PARTS ARRANGEMENT (G21 UPFLOW UNIT)
AIR INTAKE
CONNECTION
LIMIT
CONTROL
LOW VOLTAGE
TERMINAL
STRIP
GAS VALVE
EXPANSION
TANK
CONTROL
BOX
DOOR
INTERLOCK SWITCH
DIFFERENTIAL
PRESSURE
SWITCH
G21Q SERIES
BLOWER MOTOR
AIR VALVE AND
AIR HOUSING
BLOWER
ICM2 BLOWER
MOTOR
HEAT EXCHANGER
ASSEMBLY
IGNITION
CONTROL
GAS FLAPPER VALVE
& ORIFICE ASSEMBLY
ICM1 BLOWER
MOTOR
IGNITION CONTROL
PARTS ARRANGEMENT (GSR21 DOWNFLOW HORIZONTAL UNIT)
AVAILABLE ELECTRONICALLY
CONTROLLED BLOWER MOTOR
V" MODELS
AIR INTAKE
PVC CONNECTION
EXHAUST OUTLET
CONTROL BOX
HEAT EXCHANGER
ASSEMBLY
DOOR INTERLOCK
SAFETY SWITCH
EXPANSION TANK
GAS VALVE
AIR FLAPPER AND
HOUSING
BLOWER
COMPARTMENT
LOW VOLTAGE
TERMINAL STRIP
PURGE BLOWER

Table of Contents

Other manuals for Lennox G21Q3-80

Related product manuals