EasyManua.ls Logo

Lennox GCS16-413-100 - Page 99

Lennox GCS16-413-100
134 pages
To Next Page IconTo Next Page
To Next Page IconTo Next Page
To Previous Page IconTo Previous Page
To Previous Page IconTo Previous Page
Loading...
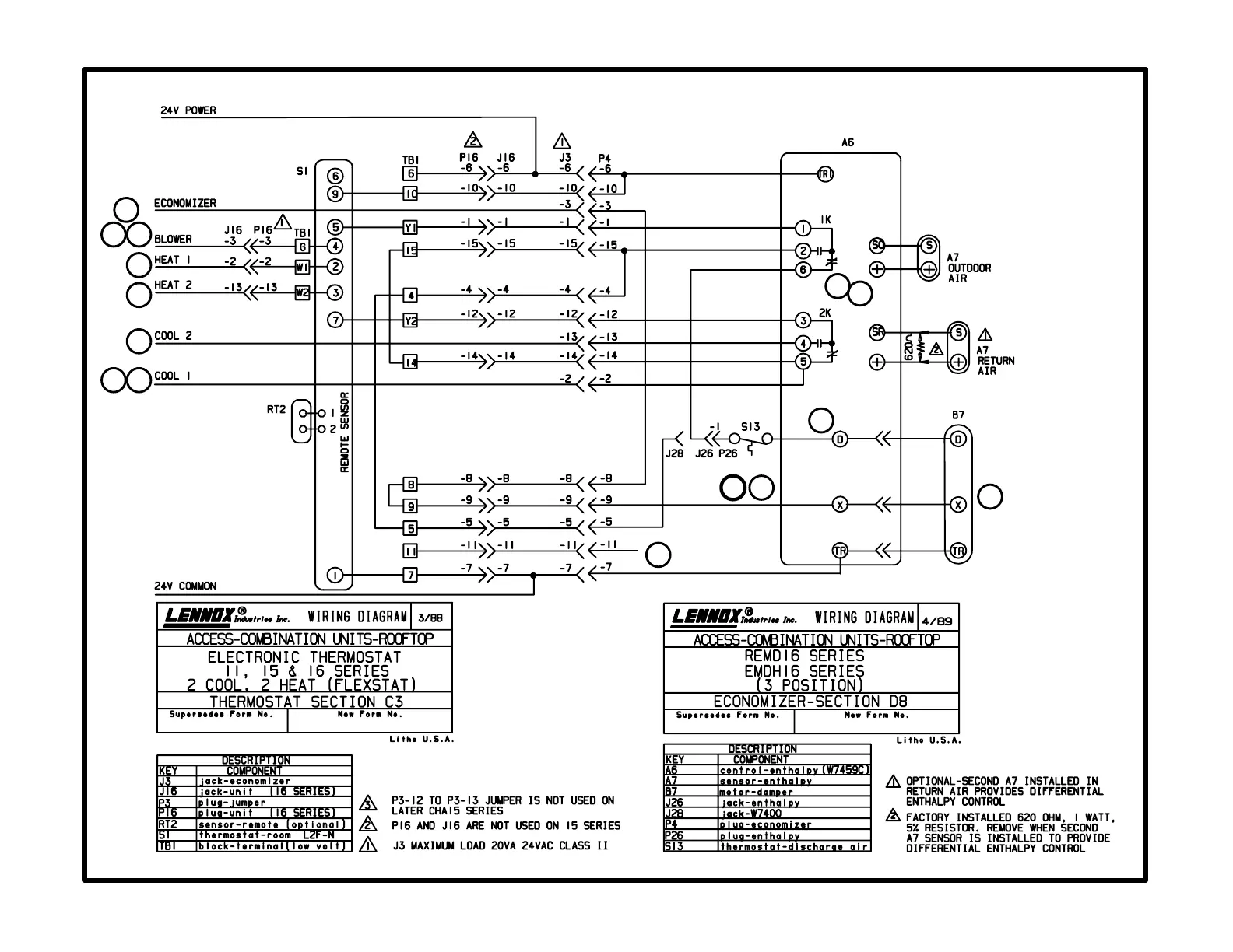
C3 diagram with D8 diagram Flexstat with three-position economizer
Page 99
1
2
3
4
5
6
7
8
9
10
11
12
13
14
15
Thermostat Footnotes
Economizer Footnotes

Related product manuals