EasyManua.ls Logo

Lennox GWB9-050IH-3

Lennox GWB9-050IH-3
64 pages
To Next Page IconTo Next Page
To Next Page IconTo Next Page
To Previous Page IconTo Previous Page
To Previous Page IconTo Previous Page
Loading...
14
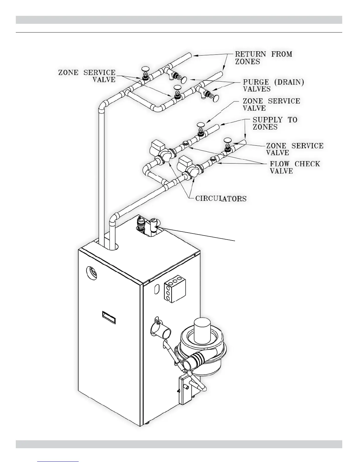
Figure 4 - Two Zone Boiler Piping With Circulators
NEAR BOILER PIPING
SAFETY RELIEF VALVE - SEE PAGE 18
FOR REQUIREMENTS

Related product manuals