EasyManua.ls Logo

Lennox GWB9-050IH-3

Lennox GWB9-050IH-3
64 pages
To Next Page IconTo Next Page
To Next Page IconTo Next Page
To Previous Page IconTo Previous Page
To Previous Page IconTo Previous Page
Loading...
15
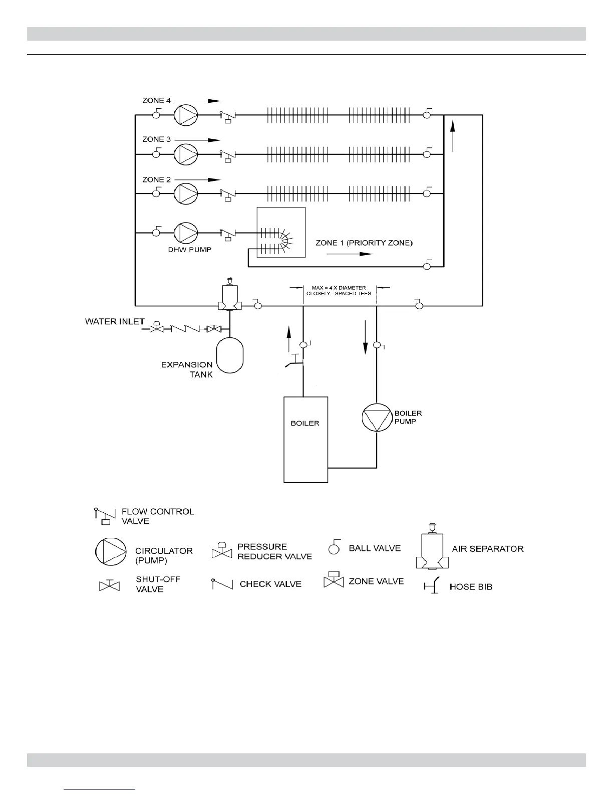
NEAR BOILER PIPING
Figure 5 - Primary/Secondary Piping With Circulators And Domestic Hot Water

Related product manuals