EasyManua.ls Logo

Lennox KGB024S4E - Page 74

Lennox KGB024S4E
76 pages
Print Icon
To Next Page IconTo Next Page
To Next Page IconTo Next Page
To Previous Page IconTo Previous Page
To Previous Page IconTo Previous Page
Loading...
Page 74
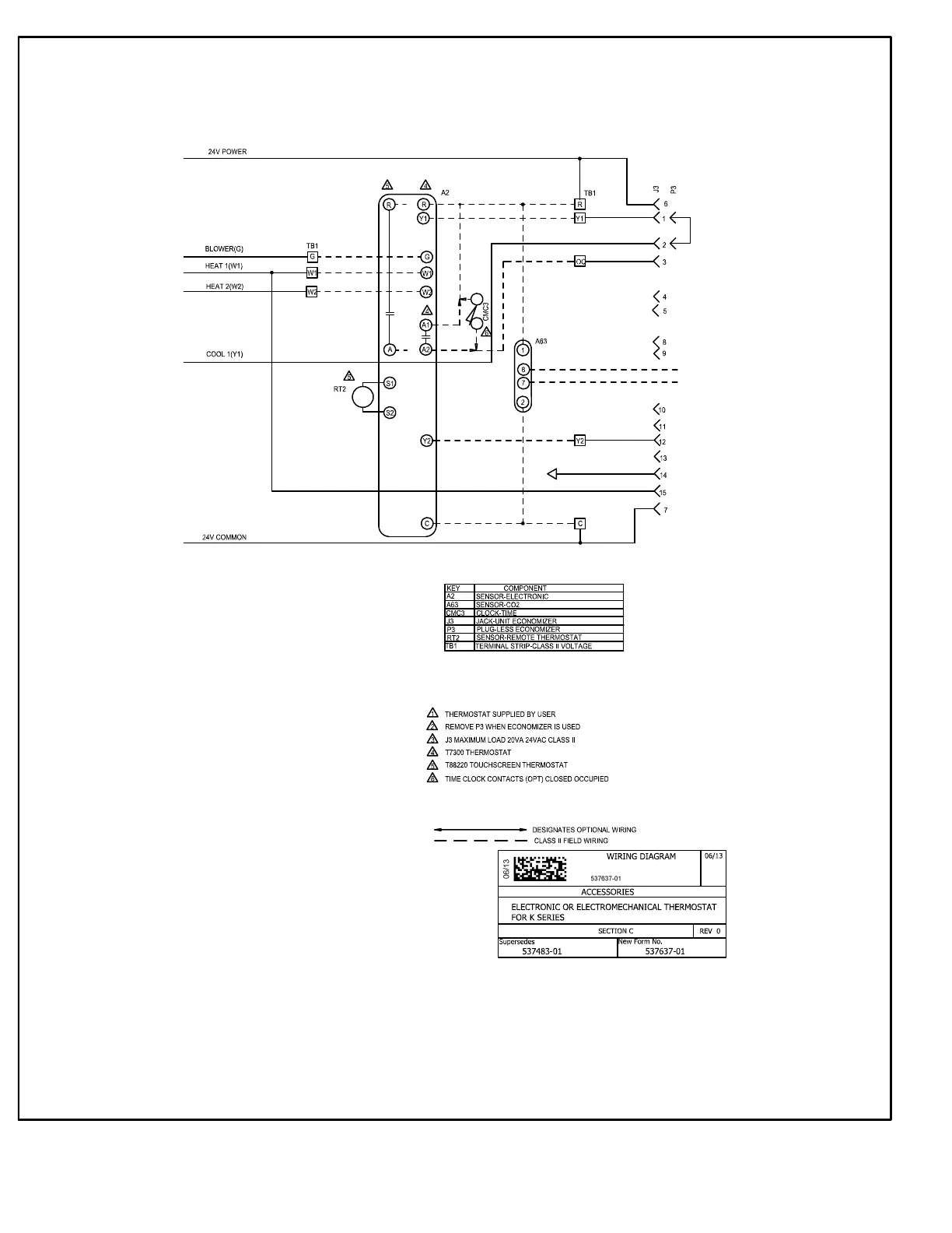
ELECTRONIC OR ELECTROMECHANICAL THERMOSTAT
POWER:
1. Terminal strip TB1 found in the main control box supplies thermostat components with 24VAC.
OPERATION:
2. TB1 receives data from the electronic thermostat A2 (Y1, Y2, W1, W2, G)
and energizes the appropriate components for heat or cool demand.

Table of Contents

Related product manuals