EasyManua.ls Logo

Lennox LCH Series

Lennox LCH Series
90 pages
To Next Page IconTo Next Page
To Next Page IconTo Next Page
To Previous Page IconTo Previous Page
To Previous Page IconTo Previous Page
Loading...
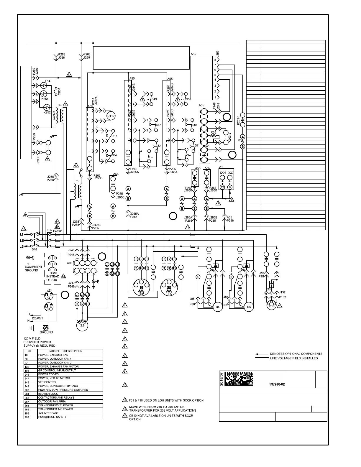
Page 82
LCH150H - G, J, M - STAGED SUPPLY AIR, WITH BYPASS, BELT DRIVE BLOWER
1
2
4
3
2
New Form No.
Supersedes
WIRING DIAGRAM
LCH/LGH - 150H - G,J,M
07/18
COOLING -MSAV WITH BYPASS
SECTION B REV 0
537910-01
537910-02
NOTE - IF ANY WIRE IN THIS APPLIANCE IS REPLACED
IT MUST BE REPLACED WITH WIRE OF LIKE SIZE,
RATING, TERMINATION AND INSULATION THICKNESS.
DISCONNECT ALL POWER BEFORE SERVICING!
K203
K65
KEY
COMPONENT
A55
PANEL, MAIN
B1
COMPRESSOR 1
B2
COMPRESSOR 2
B3
MOTOR, BLOWER
B4
MOTOR, OUTDOOR FAN 1
B5
MOTOR, OUTDOOR FAN 2
B10
MOTOR, EXHAUST FAN
C1
CAPACITOR, OUTDOOR FAN 1
C2
CAPACITOR, OUTDOOR FAN 2
C6
CAPACITOR, EXHAUST FAN
CB8
CIRCUIT, BREAKER, T1
HR1
HEATER, COMPRESSOR 1
HR2
HEATER, COMPRESSOR 2
J11
JACK, GFI RECEPTICLE
K1,1 CONTACTOR, COMPRESSOR 1
K2,1 CONTACTOR, COMPRESSOR 2
K3, 1 CONTACTOR, BLOWER
K10,1,2
RELAY, OUTDOOR FAN 1
K651,2 RELAY, EXHAUST FAN
K68,1,2 RELAY, OUTDOOR FAN 2
RT17
SENSOR, OUTSIDE AIR TEMPERATURE
S4
SWITCH, LIMIT HI PRESS COMP 1
S5
SWITCH, LIMIT HI TEMP COMPRESSOR 1
S7
SWITCH, LIMIT HI PRESS COMPRESS 2
S8
SWITCH, LIMIT HI TEMP COMPRESSOR 2
S11
SWITCH, LOW PRESS, LOW AMBIENT KIT COMP
S48
SWITCH, DISCONNECT
S49
SWITCH, FREEZESTAT COMP 1
S50
SWITCH, FREEZESTAT COMP 2
S84
SWITCH, LOW PRESS, LOW AMBIENT KIT COMP
S87
SWITCH, LOW PRESS, COMPRESSOR 1
S88
SWITCH, LOW PRESS, COMPRESSOR 2
T1
TRANSFORMER, CONTROL
K68
K65-2
9
6
K65-1
7
4
K1-1
K2-1
K10-1
7
4
C1
K68-1
7
4
C2
GND
CB8
K1
K2
K10
24 VAC POWER
24 VAC COMMON
T43
T43
L14
L30
DI 4
RSV
R
A55
ONLY IN UNITS WITH HUMIDITROL OR
PHASE AND VOLTAGE DETECTION OPTION
EXTERNAL HUMIDITROL CONTACTS
S49 AND S50 ARE PART OF 5VDC CIRCUIT
GND
24 VAC COMMON
GND
J268-1,-3 AND J268-2,-4 ARE CONNECTED ON UNITS
WITHOUT HUMIDITROL OR PHASE DETECTION OPTIONS
B10 IS NOT USED ON UNITS WITH ERV
USED ON UNITS WITH ERV SINGLE POINT POWER.
SEE ERV DIAGRAM
F4
FUSE, UNIT
USED ON LCH AND UNITS WITH ERV SINGLE POINT POWER ONLY
A1
PANEL, AUTOMATED LOGIC CONTROL (ALC)
T43
TRANSFORMER, REHEAT
TB2
TERMINAL STRIP, UNIT
A96 CONTROL INVERTER
K203,2 RELAY, INVERTER START/RUN
CB10
CIRCUIT BREAKER, MAIN DISCONNECT, UNIT
DO7 USED ON UNITS WITH HUMIDITROL TO POWER
EXHAUST FANS. DO6 PROVIDES POWER TO K65 ON
UNITS WITH NO HUMIDITROL
K65 IS CONTROLLED BY A1 ONLY IN TARGET ALC APPLICATIONS
L14
VALVE SOLENOID, REHEAT COIL 1
CB31
CIRCUIT BREAKER, TRANSFORMER T43
SD
STF
C
B
2
5
6
9
K202
RST
WV
U
G
G
K202
K3-1
K202,1 CONTACTOR, POWER TO MOTOR
1
7
(ODF)PWM 2
(ODF)PWM 3
COM
(IDB)PWM 1/VO
RELAY
COM
FB
20V
NOTE: FOR USE WITH COPPER CONDUCTORS
ONLY. REFER TO UNIT RATING PLATE FOR
MINIMUM CIRCUIT AMPACITY AND MAXIMUM
OVERCURRENT PROTECTION SIZE.
S8
S5
PC
R55
RESISTOR, VFD LOADING, A96
K251-1
7
1
K252-1
7
4
K251-2
9
3
K252-2
9
6
K2511,2
K2521,2
RELAY, 2 SPEED MOTOR HIGH
RELAY, 2 SPEED MOTOR LOW
F10
K2-2
C
NC
K1-2
C
NC
F10
FUSE, OUTDOOR FAN MOTOR
F61
FUSE, SCCR OPTION UNIT

Other manuals for Lennox LCH Series

Related product manuals