EasyManua.ls Logo

Lennox M22A012S4-*P - Page 58

Lennox M22A012S4-*P
168 pages
Print Icon
To Next Page IconTo Next Page
To Next Page IconTo Next Page
To Previous Page IconTo Previous Page
To Previous Page IconTo Previous Page
Loading...
58
CODE
PART NAME
COMPRESSOR
D
CT1
AC CURRENT DETECTOR
4-WAY VALVE
COMP
DCFAN1,DCFAN2
H-PRO
L-PRO
LOW PRESSURE SWITCH
HIGH PRESSURE SWITCH
T3
T4
OUTDOOR COIL
TEMP. SENSOR
OUTDOOR TEMP. SENSOR
DIODE MODULE
SV
L
PFC INDUCTOR
TH
HEATSINK TEMP. SENSOR
T5
DISCHARGE
TEMP. SENSOR
MAIN BOARD
OUTDOOR DC FAN
CN15
A
ELECTRONIC
EXPANSION
VALVE A
CN8
T5
01NC
RED
YELLOW
L-PRO
H-PRO
9NC
T4
T3
D
12
3
4
5
CN22
CN19
CN7
CN20
CN55
CN24
CN11
CN25
CN17
CN39
CN18
HEAT_D
HEAT_Y
SV
4-WAY
BLUE
BLUE
RED
BLUE
CN4
CN2
CN3
CN1
COMP
U
V
W
Y/G
DCFAN2
DCFAN1
5
5
CN6
CN5
CN8
CN15
CN9
CN14
7
5
CN6
CN3
L
YELLOW
YELLOW
U
V
W
BLUE
BLACK
RED
Y/G
CN39
WHITE
BLACK
BLACK
BLACK
RED
BLACK
RED
CN12
TH
TO INDOOR COMM. BUS
XT2
LLEY OW
ARG Y
S1
S2
NOTE
shielded wire.
Please use 2-core
2
Y/G
P-6
CH5
CT1
L2
L1
MAIN
POWER SUPPLY
XT1
TO INDOOR UNIT
L1
Y/G
RED
BLACK
XT3
1
( )
(
L2
)
2
1
( )
(
L2
)
2
HEAT_Y
CRANKCASE HEATER
PAN HEATER
HEAT_D
6
Compressor and Outdoor
Fan Control Board
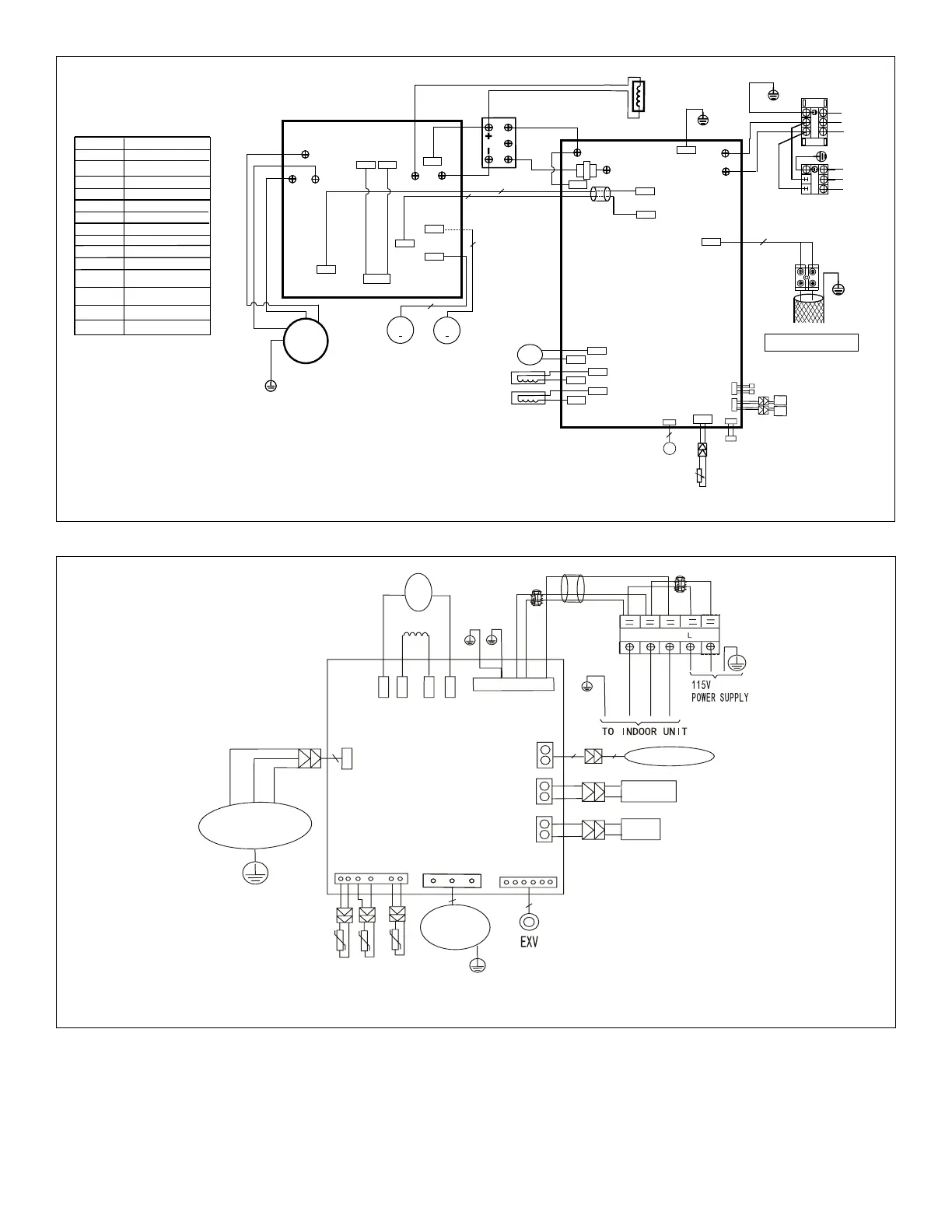
Figure 12. 208/230V MPA048S4S-1P Outdoor Unit Wiring Diagram
COMPRESSOR
Y/G
4-WAY VALVE
CN 50
OUTDOOR
FAN
CN 7
3
6
CN 31
PAN
HEATER
CN 15
CN 60
CRANKCASE
HEATER
CN 17
B L UE
B R O W N
BLACK
3
2
N
R E
D
B L UE
Y/G
1
Y/G
OUT DOOR
TE MP. SENSOR
C OMPR E S S O R
DISCHAR GE
TE MP. S E NSOR
CN 21
OUTDOOR C OIL
TE MP. S ENSOR
Y/G
CN 1A
Y/G
Y/G
3
CN4_1
CN4_2
CN4_3
CN4_4
REACTOR
CAPACITOR
BROWN
BROWN
BLACK
BLACK
2
2
BLACK
W
V
RED
BLUE
U
OUTDOOR
MAIN
PCB
RED
BLACK
WHTIE
Figure 13. 115V MPB009S4S-*L and MPB012S4S-*L Outdoor Unit Wiring Diagram

Table of Contents

Other manuals for Lennox M22A012S4-*P

Related product manuals