EasyManua.ls Logo

Lennox M22A012S4-*P - Mcfa And Mcfb Indoor Units

Lennox M22A012S4-*P
168 pages
Print Icon
To Next Page IconTo Next Page
To Next Page IconTo Next Page
To Previous Page IconTo Previous Page
To Previous Page IconTo Previous Page
Loading...
72
12.5. MCFA and MCFB Indoor Units
DC MOTOR
DRIVER MODULE
C N 1 3
C N 3
3
CN1 5
5
M
CN6
T2
T1
4
INDO OR C OIL T EMP. SENS OR
ROOM TEMP. SENSOR
BLACK
WHITE
INDOOR UNIT MAINBOARD
CN3
R E D
C N 2
C N 1
Y/G
B L A C K
C N 4 1
YELLOW
CN5
W AT ER L EV EL S W IT CH
R e a cto r
CN8
CN18
RED
RED
This symbol indicates the element is
optional,the actual shape shall prevail.
C N 1 9
BLUE
BLACK
To C C M
C o m m .B u s
WHITE
X Y
E
Y/G
1
2 3
FILTER-BOARD
BLACK
RED
CN2 3
ON/O FF
CN3 3
ALA RM
Alarm
Output
Remote
Control
Ceiling-Floor Type
CN21
M
5
5
VSWING(INACTIVE)
CN24
M
5
SWING
FAN
DISPLAY
BOARD
10
CN10A
TO WIRE
CONTROLLER
5
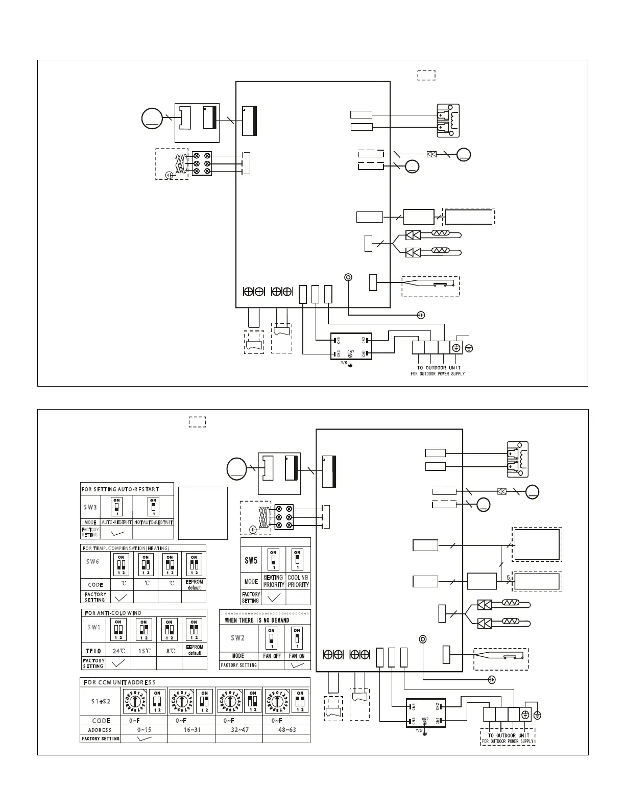
Figure 39. MCFA012-18S4-1P Unit Wiring Diagram - Discontinued Spring 2016
0
8
4
1
2
3
5
6
7
C
9
A
B
D
E
F
1
2
ON
0
8
4
1
2
3
5
6
7
C
9
A
B
D
E
F
1
2
ON
0
8
4
1
2
3
5
6
7
C
9
A
B
D
E
F
1
2
ON
0
8
4
1
2
3
5
6
7
C
9
A
B
D
E
F
1
2
ON
S1+S 2
0~F 0~F 0~F
0~F
ADDR ESS
CODE
0~15
16~31
32~47
48~63
FOR
CCM UNIT ADDR ESS
DC MOTOR
DRIVER MODULE
C N13
CN3
3
CN15
5
M
CN6
T2
T1
4
INDO OR COIL TEMP. SENS OR
ROOM TEMP. SENSOR
BLACK
WHITE
INDOOR UNIT MAINBOARD
CN3
RED
C N2
C N1
Y/G
BLACK
C N41
YELLOW
CN5
WATER LEVEL SWITCH
Inductor
CN8
CN18
RED
RED
1
ON
1
ON
COOLING
PRIORITY
HEATING
PRIORITY
FACTORY
SETTING
MODE
C N19
BLUE
BLACK
To LVM
Comm.Bus
WHITE
X Y E
Y/G
1
23
FILTER-BOARD
BLACK
RED
••••• ••••••••• ••••• •••••••
1
ON
1
ON
SW2
1
2
ON
1
2
ON
1
2
ON
1
2
ON
SW6
CODE
0
FOR TEMP. COMPENSATION(HEATING)
2
4
FACTORY
SETTING
EEPROM
default
1
2
ON
1
2
ON
1
2
ON
1
2
ON
SW1
TEL0
24
15
8
EEPROM
default
FACTORY
SETTING
FOR ANTI-C OLD WIND
1
ON
1
ON
FACTORY
SETTING
FOR SETTING AUTO-R ESTART
SW3
MODE
AUTO-RESTART
NOT AUTO-RESTART
CN23
ON/O FF
CN33
ALARM
Alarm
Output
Remote
Control
Ceiling-Floor Type
CN21
M
5
5
VSWING(INACTIVE)
CN24
M
5
SWING
FAN
FOR MODE CONFLICT SETTING
DISPLAY
BOARD
10
CN10A
TO WIRED
CONTROLLER
2
CN40
TO
PROGRA MMABL E
WIRED
CONTRO LLE R
4
2
••••
COMPONENT IN DASH
LINE IS OPTIONAL
OR FIELD WIRING.
Note: The
programmable
wired controller
and regular
wired controller
use the same
wiring connector
Figure 40. MCFB018S4-*P Unit Wiring Diagram

Table of Contents

Other manuals for Lennox M22A012S4-*P

Related product manuals