EasyManua.ls Logo

Lennox Merit ML18XC2 Series - Field Wiring and Component Notes; Typical Field Wiring Diagrams; Electric Shock Hazard - Grounding; Solenoid and Coil Voltage Warning

Lennox Merit ML18XC2 Series
17 pages
Print Icon
To Next Page IconTo Next Page
To Next Page IconTo Next Page
To Previous Page IconTo Previous Page
To Previous Page IconTo Previous Page
Loading...
Page 13
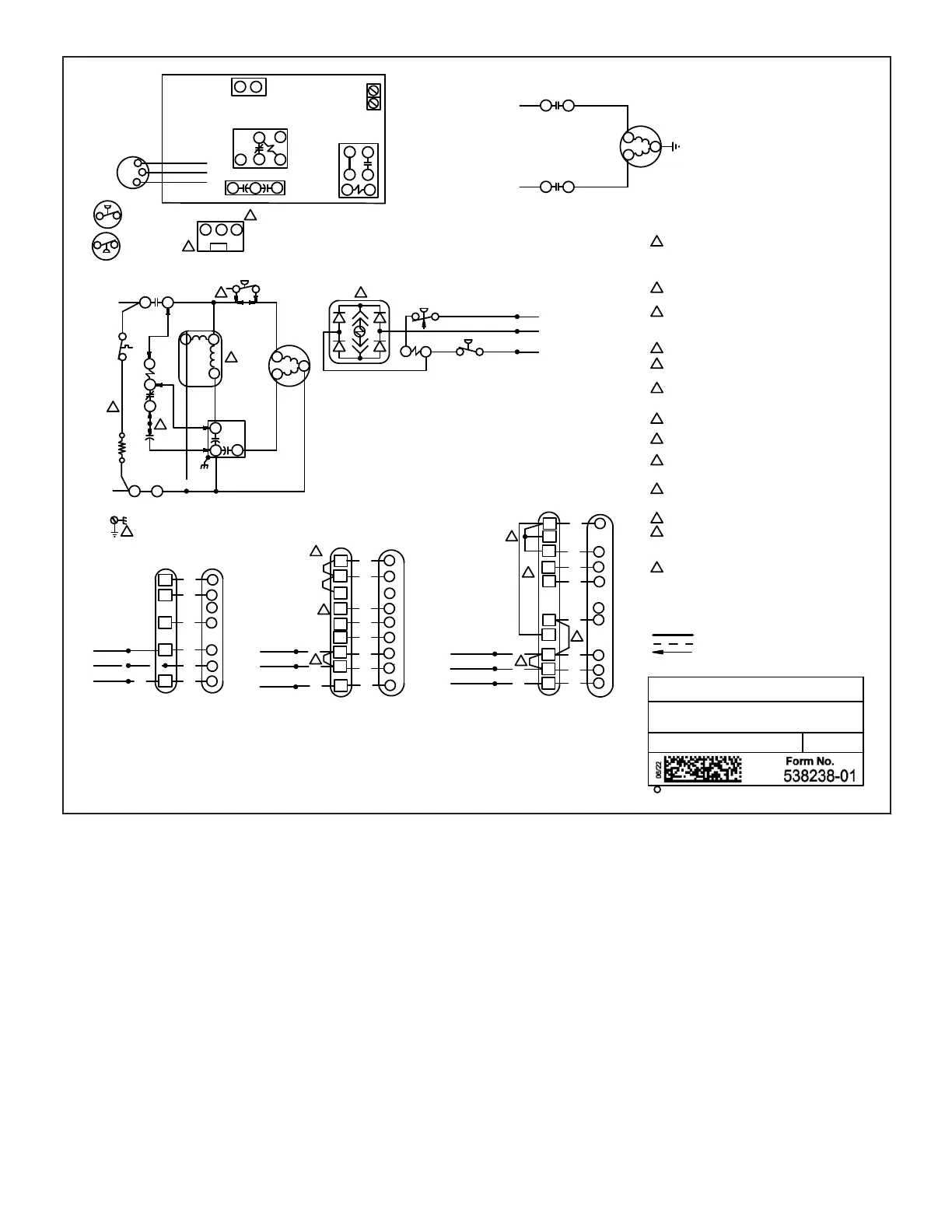
NOTE-
IF ANY WIRE IN THIS APPLIANCE IS REPLACED,IT
MUST BE REPLACED WITH WIRE OF LIKE SIZE,
RATING, INSULATION THICKNESS, AND TERMINATION.
EQUIPMENT
GROUND
WARNING-
ELECTRIC SHOCK HAZARD,CAN CAUSE INJURY
OR DEATH.UNIT MUST BE GROUNDED IN ACCORDANCE
WITH NATIONAL AND LOCAL CODES.
DENOTES OPTIONAL COMPONENTS
LINE VOLTAGE FIELD INSTALLED
CLASS II VOLTAGE FIELD WIRING
Supersedes
Litho U.S.A.
C
GROUND
LUG
K1
COMPRESSOR
CONTACTOR
S87 LOW
PRESSURE
SWITCH
R
S
C
B1
COMPRESSOR
S4
HIGH
PRESSURE
SWITCH
D
R
H
Y2
Y1
C
W2
W1
B1
RED
3
RED
L34
LENNOX
REMOVE JUMPER FOR TWO STAGE COOL
4
5
6
7
COMPRESSOR
CONTACTOR
BLACK
L2
L1
2
2
ON A92 CUT ONBOARD W914 JUMPER FROM D5
TO R, WHEN HUMIDITY CONTROL IS USED
ON A92 DO NOT CUT ONBOARD W951 JUMPER
FROM R TO O. IT IS USED FOR APPLICATIONS
FOR CONDENSING UNITS
FOR CONDENSING UNIT APPLICATIONS USE R TO
O JUMPER. REMOVE IN HEAT PUMP APPLICATIONS
REMOVE DS TO Y1 JUMPER WHEN HUMIDITY
CONTROL IS USED
WHEN TWO STAGE THERMOSTAT IS USED, CONNECT
SECOND STAGE HEAT BULB TO TERMINAL "W2", AND
REMOVE JUMPER BETWEEN "R" AND "W2"
L34 SOLENOID IS LOCATED IN COMPRESSOR.
COIL IS 24VDC. DO NOT CONNECT 24VAC
TO COIL TERMINALS
S11 IS OPTIONAL LOW AMBIENT SWITCH
NOTE-MINIMUM TRANSFORMER REQUIRED IN
INDOOR UNIT-40 VA
Y1
Y2
C
K1
S4
R
C
R
W2
W1
Y2
C
BLACK
BLUE
YELLOW
Y
Y1
G
G
W
INDOOR
UNIT
TB1
THERMOSTAT
A2
EL196E ML180E ML193E
EL180E EL195E ML196E
R
W2
W1
G
C
BLACK
BLUE
YELLOW
Y1
Y2
INDOOR
UNIT A92
TB1
DS
O
W914
W951
8
9
10
11
10
3
4
5
6
K1-1
G
A2
COOLING -
CONDENSING
2011
START
CAPACITOR
K31
POTENTIAL
RELAY
(OPTIONAL)
F
C
H
C12
DUAL
CAPACITOR
ORANGE-RUN
BLACK-COMMON
PURPLE-
CAPACITOR
B4
OUTDOOR FAN
(LEADED)
THERMOSTAT
2
4
3
1 5
BLACK
L34
F
C
H
COMPRESSOR
C12 DUAL
CAPACITOR
YELLOW
2
1
5
RED
K31
C7
230/60/1
12
OPTIONAL HARD START KIT MAY BE REQUIRED
ON APPLICATIONS WHERE VOLTAGES ARE LESS THAN
230 VOLT KIT ICLUDES K31 AND C7 WITH ALL NECESSARY
WIRING.
R
C
S
S40
CRANKCASE
THERMOSTAT
CRANKCASE
HEATER
13
RED
BLACK
D
R
Y2
Y1
G
C
W2
W1
R
W2
W1
G
C
BLACK
BLUE
YELLOW
Y1
Y2
INDOOR
UNIT
TB1
DS
O
W3
4
7
8
9
H
THERMOSTAT
A2
PURPLE
OR BROWN
ORANGE
B4
FAN MOTOR
(LEADED)
BLUE
D4
10
BLUE
YELLOW
S11
S87
11
HR1
13
S40 AND HRI ARE USED ON 048 AND 060 UNITS ONLY
2
1
NOTE-
FOR USE WITH COPPER CONDUCTORS
ONLY. REFER TO UNIT RATING PLATE
FOR MINIMUM CIRCUIT AMPACITY AND
MAXIMUM OVERCURRENT PROTECTION SIZE
REFER TO COMPRESSOR IN UNIT FOR
ACTUAL TERMINAL ARRANGEMENT
SLP99V SL297V SL280V ML296V
ML180V EL280E EL 296E SLP99
12
CBA25UH, CBA27UHE
& CBA38MV
ML18XC2-024
ML18XC2-036
CUT SIZE: 6-1/2" WIDE 6" TALL
ML18XC2-048
ML18XC2-060
COMPRESSOR
CONTACTOR
L1
K1-1
EQUIPMENT
GROUND
L2
RED
RED
ML18XC2-024
ML18XC2-036
ML18XC2-048
EC MOTOR CONNECTION
(ML18XC2-060)
FIGURE 15. Typical Field Wiring

Related product manuals