EasyManua.ls Logo

Lennox MMDA048S4-*P - Page 74

Lennox MMDA048S4-*P
168 pages
To Next Page IconTo Next Page
To Next Page IconTo Next Page
To Previous Page IconTo Previous Page
To Previous Page IconTo Previous Page
Loading...
74
CN5
DC MOTOR
DRIVER MO DULE
CN13
CN3
M
3
Reactor
CN8
CN18
CN7
T2
T1
CN6
4
T2B
OUTER PIPE TEMP. SENSOR
BLACK
WHITE
CN23
ON/OFF
CN33
ALA RM
Alarm
Output
Remote
Control
RED
RED
VSWING(INACTIVE)
CN21
CN24
M
M
M
5
5
5
5
SWING
WATER LEVEL SWITCH
INDOOR UNIT MAINBOARD
CN15
5
FAN1
CN16
FAN2
DC MOTOR
DRIVER M ODULE
CN13
CN3
M
3
5
Ceiling-Floor Type
Y/G
CN3
CN2
CN1
BLACK
RED
Ferrite bead
FILTER-BOARD
L1
L2
RED
BLACK
CN29 CN28
BLUE
BLACK
YELLOW
GRAY
To CCM
Comm.Bus
To outdoor
Comm.Bus
WHITE
S1
S2
X Y
(
E
)
This symbol indicates the element is
optional,the actual shape shall prevail.
Y/G
Y/G
Y/G
INDOOR COIL TEMP. SENSOR
ROOM TEMP. SENSOR
FAN
FAN
DISPLAY
BOARD
10
CN10A
TO WIRE
CONTROLLER
5
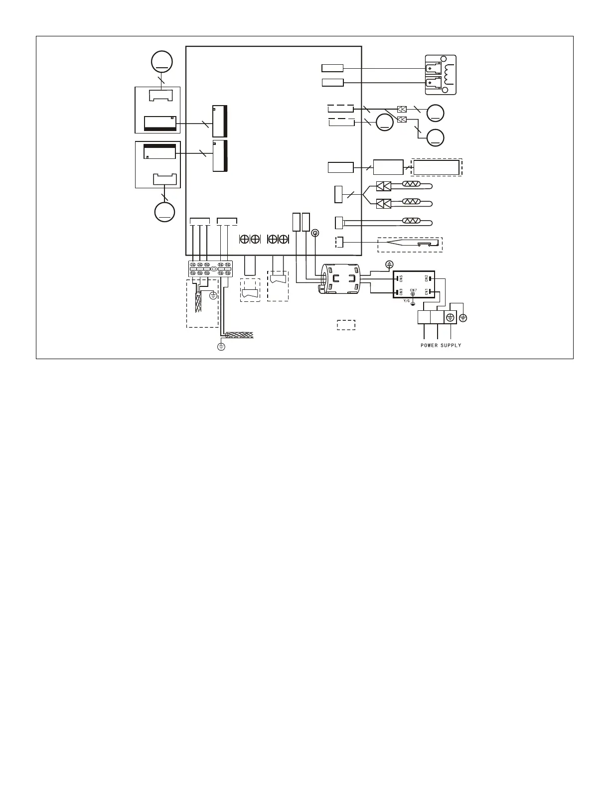
Figure 43. MCFA048S4-1P Unit Wiring Diagram

Table of Contents

Other manuals for Lennox MMDA048S4-*P

Related product manuals