EasyManua.ls Logo

Lennox MPA012S4S-1L

Lennox MPA012S4S-1L
258 pages
To Next Page IconTo Next Page
To Next Page IconTo Next Page
To Previous Page IconTo Previous Page
To Previous Page IconTo Previous Page
Loading...
Lennox Mini-Split Service Manual / Page 74
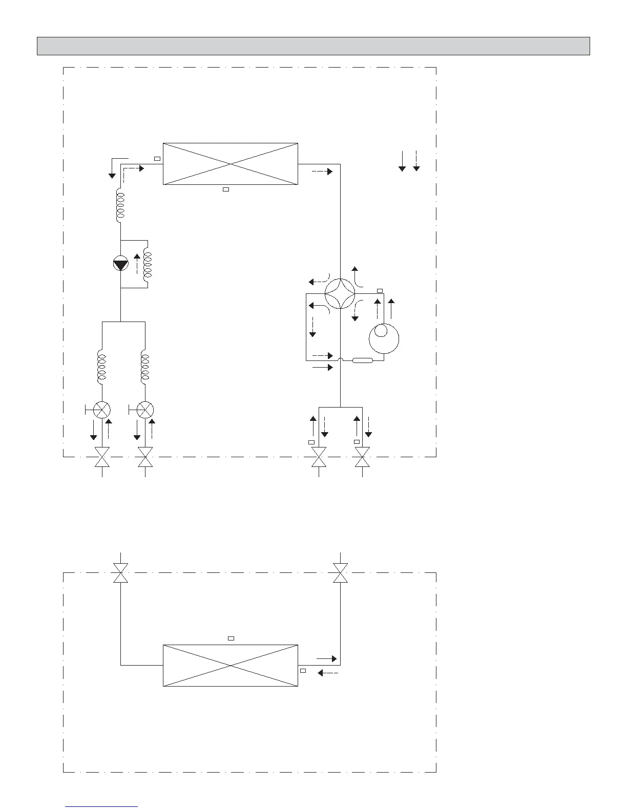
LIQUID VALVE A
GAS VALVE A
Indoor Coil
Compressor
Outdoor Coil
4-WAY VALVE
COOLING
HEATING
T2 Evaporator
temp. sensor
middle
T1 Room
temp. sensor
T3
Condenser
temp. sensor
T5 Discharge
temp. sensor
T4 Ambient
temp. sensor
INDOOR OUTDOOR
EXV A
CAPILIARY A
CHECK VALVE
CAPILIARY TUBE
EXV B
CAPILIARY B
LIQUID VALVE B
GAS VALVE B
Accumulator
T2B-A
Evaporator
temp. sensor outlet
T2B-B
Two-Zone Refrigerant Cycle Diagram

Table of Contents

Related product manuals