EasyManua.ls Logo

Lennox MPA036S4S-1P - Page 72

Lennox MPA036S4S-1P
258 pages
Print Icon
To Next Page IconTo Next Page
To Next Page IconTo Next Page
To Previous Page IconTo Previous Page
To Previous Page IconTo Previous Page
Loading...
Lennox Mini-Split Service Manual / Page 72
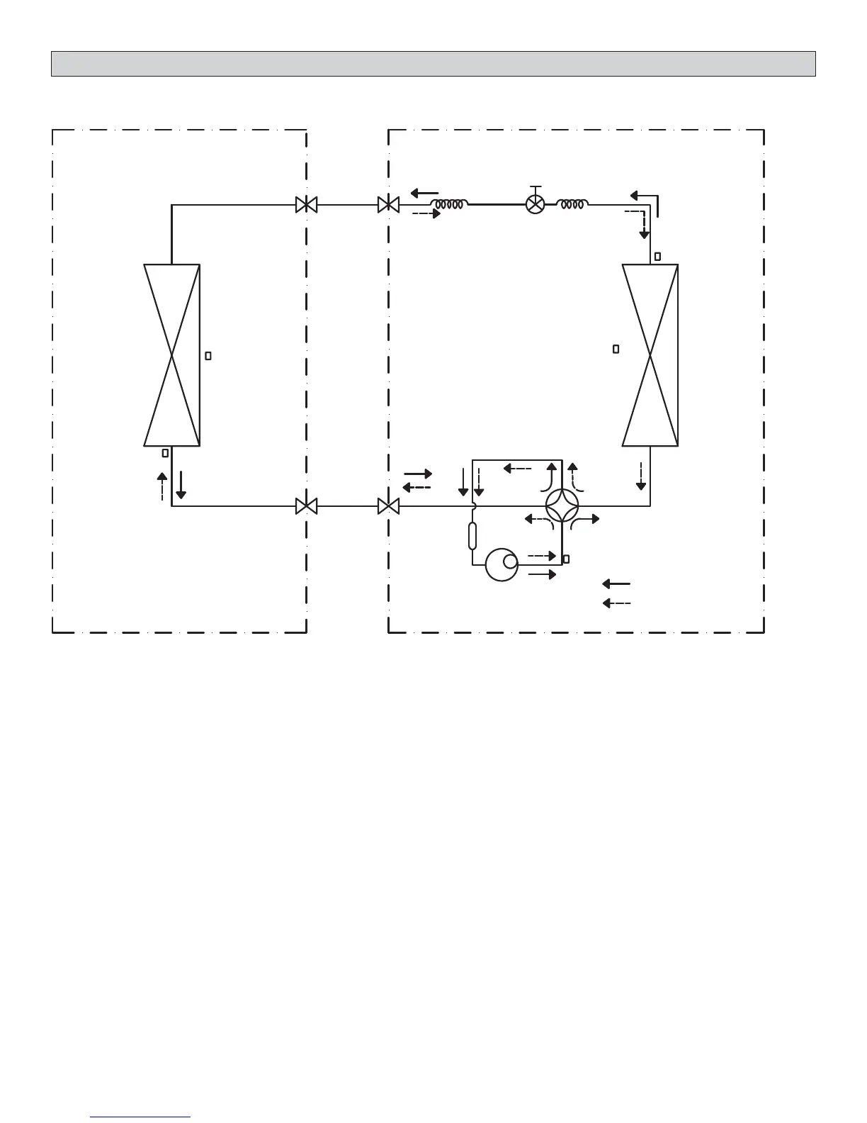
Single Zone Refrigerant Cycle Diagram
LIQUID SIDE
GAS SIDE
Indoor Coil
Compressor
2-WAY VALVE
3-WAY VALVE
4-WAY VALVE
COOLING
HEATING
T2 Evaporator
temp. sensor
T1 Room temp.
sensor
T3 Condenser
temp. sensor
T5 Discharge
temp. sensor
T4 Ambient
temp. sensor
ROODTUOROODNI
Electronic
expansion valve
CAPILIARY TUBE
Accumulator
CAPILIARY TUBE
Outdoor Coil

Table of Contents

Other manuals for Lennox MPA036S4S-1P

Related product manuals