EasyManua.ls Logo

Lennox MWMA012S4-*P - M33 A And M33 B Indoor Unit

Lennox MWMA012S4-*P
168 pages
Print Icon
To Next Page IconTo Next Page
To Next Page IconTo Next Page
To Previous Page IconTo Previous Page
To Previous Page IconTo Previous Page
Loading...
69
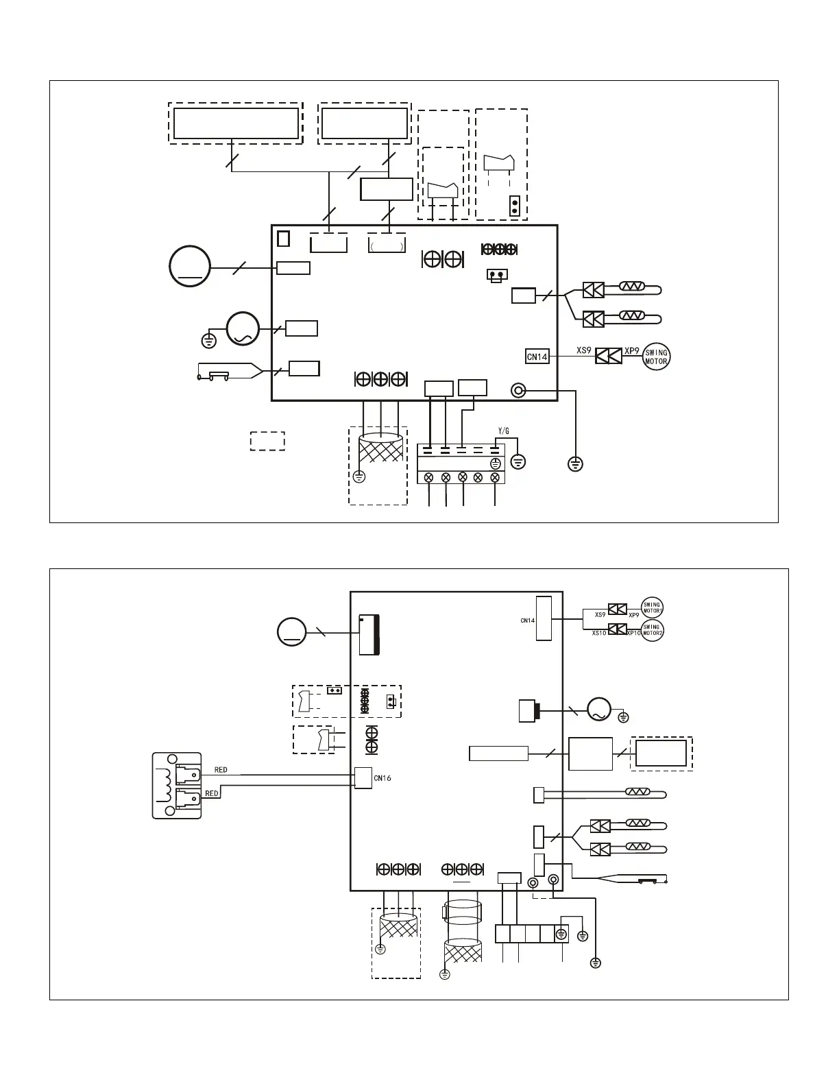
12.3. M33A and M33B Indoor Unit
1 2 3
CN13
D IS P LA Y
B O A R D
10
T2
T1
CN6
4
ROO M T EMP .SEN SOR
BL AC K
WH ITE
CN 10 A
M
PU MP
2
INDOOR UNIT
MAINBOARD
TO WIRED
CONTROLLER
5
CN23
ON - OFF
Remote
Control
CN3 3
ALA RM
Alarm
Output
CN1 5
M
Motor
5
R E D (B R O W N )
CN1
B L U E (B L A C K )
CN5
W ATE R LE VE L SW ITC H
E Y X
To LVM
Comm.Bus
P1
CN3
JR6
JR6
2
Y/G
C N 11 0
Y E L L O W
TO OUTDOOR UNIT
P5
CN 10
INDOOR COIL TEMP.SENSOR
Note1: Remove the JR6 jumper
for remote on /off contr ol
CN 40
TO PROGRAMMABLE
WIRED CONTROLLER
2
2
NOTE:
COMPONENT IN DASH
LINE IS OPTIONAL
OR FIELD WIRING.
Note: The programmable
wired controller and regular
wired controller use the same
wiring connector.
4
Figure 34. M33A024S4-*P Unit Wiring Diagram
Reactor
CN13
DISPLAY
BOARD
TO WIRE
CONTROLLE R
10
T2
T1
CN6
4
BLACK
WHITE
CN10(CN10A)
M
PUMP
2
INDOOR UNIT
MAINBOARD
CN23
ON - OFF
Remote
Control
CN33
ALARM
Alarm
Output
CN15
M
FAN
5
RED(BROWN)
CN1
BLUE(BLACK )
L1
L2
Y/G
CN5
WATER LEVEL SWITCH
CN2
Q E P
To CCM
Comm.Bus
CN7
T2B
INDOOR COIL OUTLET TEMP.SENSOR
POWER
P1
Y/G
CN3
JR6
JR6
To OUTDOOR
Comm.Bus
S2
S1
P4
E Y X
Ferrite beadFerr
i
t
e
bead
5
ROOM TEMP.SENSOR
INDOOR COIL TEMP.SENSOR
Note1:remove the JR6 jumper for
remote on/off control
Figure 35. M33A036S4-*P, M33A048S4-*P and M33B048S4-*P Unit Wiring Diagram

Table of Contents

Other manuals for Lennox MWMA012S4-*P

Related product manuals