EasyManua.ls Logo

Lennox VRF VEC060N432U

Lennox VRF VEC060N432U
36 pages
To Next Page IconTo Next Page
To Next Page IconTo Next Page
To Previous Page IconTo Previous Page
To Previous Page IconTo Previous Page
Loading...
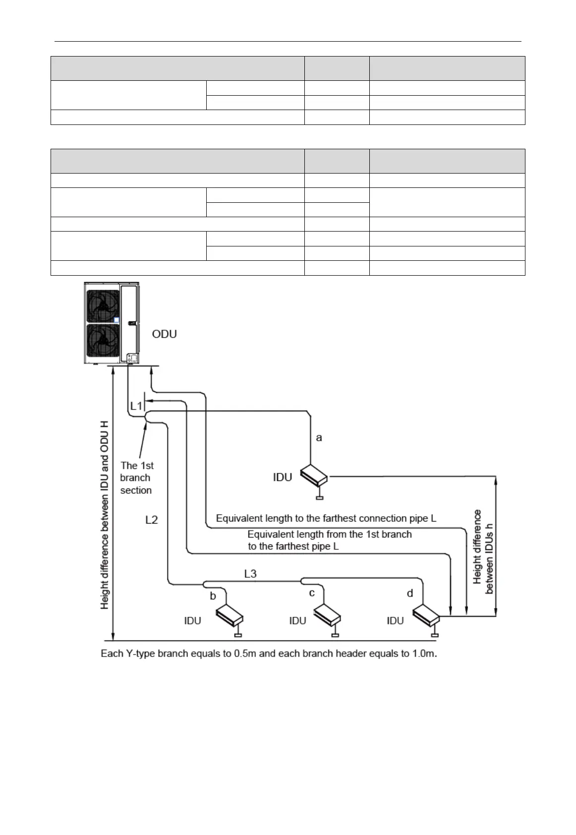
DC Inverter Multi VRF System
9
Allowable
value
Fitting pipe
Height difference between ODU and
IDU
ODU at upper side
30m
——
ODU at lower side
30m
——
Height difference between IDUs
10m
——
Piping parameters of VEC048N432U, VEC055N432U, VEC060N432U.
Allowable
value
Fitting pipe
Total length (actual length) of fitting pipe
300m
L1+L2+L3+a+b+c+d
Length of farthest fitting pipe (m)
Actual length
120m
L1+L2+L3+d
Equivalent length
150m
From the 1
st
branch to the farthest indoor pipe
40m
L2+L3+d
Height difference between ODU and
IDU
ODU at upper side
50m
——
ODU at lower side
40m
——
Height difference between IDUs
15m
——
Fig 4.2.2.1 Allowable Length and Height Difference of Connection Pipe

Related product manuals