EasyManua.ls Logo

Lennox XP17-036-230-02

Lennox XP17-036-230-02
83 pages
To Next Page IconTo Next Page
To Next Page IconTo Next Page
To Previous Page IconTo Previous Page
To Previous Page IconTo Previous Page
Loading...
Page 45
XP17
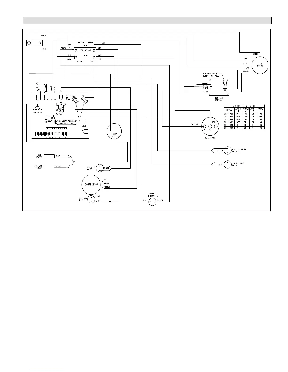
Factory Wiring Diagrams
Figure 22. Typical Factory Wiring (XP17-XX-230-01)

Related product manuals