EasyManua.ls Logo

Lenze 4900 - Page 323

Lenze 4900
342 pages
Print Icon
To Next Page IconTo Next Page
To Next Page IconTo Next Page
To Previous Page IconTo Previous Page
To Previous Page IconTo Previous Page
Loading...
Signal-flow charts
16-1
48XX/49XXSHB0399
16 Signal-flow charts
4900Str112
-
21
JOG 1
JOG 2
JOG x
E4 E5
0
1
±1
C041CW /CCW
21 22
QSP
Ex
Ex
C134
QSP
C012 T
C013 T
ir
if
C190
E3
0
1
6
-1 0 V ...+ 1 0 V
+
8
-1 0 V ...+ 1 0 V
+
C105
QSP
C 046
C 011
C 145/C 146
C 025/C 026
C 049
C 145/C 146
C 025/C 027
C 025/C 027
C 050
+
C 051
52
53
52
53
C 027 C 028C025/C026
D ig_In_1
X7
QSP
C 070 V
C 071 T
C 072 K
pn
nn
dn
C056
C 063
C 022, C 023
I
Fact
C 042
C 025/C 026
n
C 030
512
1024
2048
4096
8192
NCO
X8
C025/C026
512
1024
2048
4096
8192
C 027C 028
512
1024
2048
4096
8192
X5
C 005
C 032 C 033 ±5000 rpm
+
+
+
+
+
C 255
+
-
+
-
1.8 · C 011
C 047
C 254
/
-
·
+
C46
1 0 0 % - C 4 9
C 198
Z
set
M aster integrator
CW CCW
Enable
RFG stop
RFG zero
SW I
C 220, C 221
n
n
set
maxoffset
n
offset
n
Add.
setpoint
n
set
a t
n-controller in
% of n
max
n
act
Enc.
const.
0 V = n o lim ita tio n
1 0 V = m a x . lim ita tio n
Torque lim itation
n-controller
M
set
in %
of M
max
I
set
I
max
180 % of n
max
set'
Enc.
const.
to fu rth e r
drives
D F output
Geber-
konst.
Resolver
evaluation
Act. phase
integrator
G earbox
Set phase
integrator
Speed trim m ing
C 257
C 256
Phase trim m ing
Phase offset
C 252
Phase
ctrl.
lim it
C ont.
error
lim it
M onitoring
logic
Phase ctrl.
Slave 0
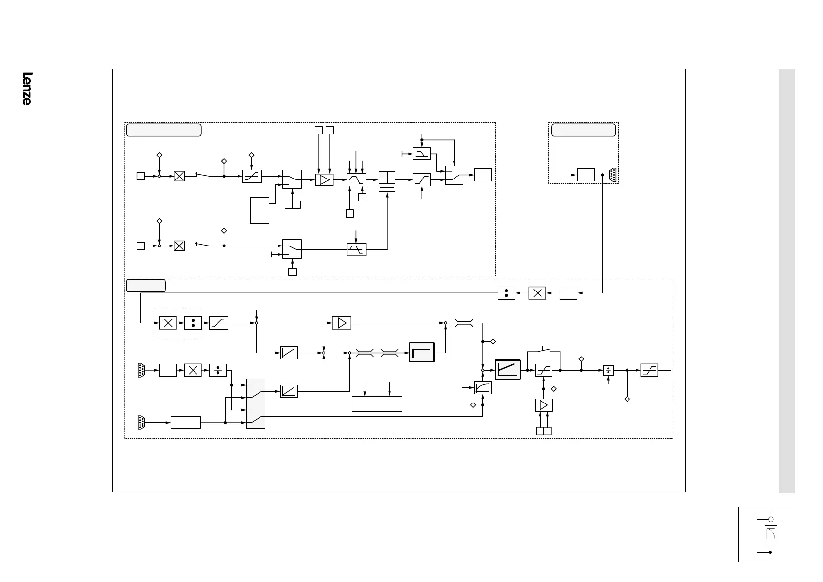
FIG 10-1 Signal-flow chart Masterconfiguration C005 = -5X-
Show/Hide Bookmarks

Table of Contents

Related product manuals