EasyManua.ls Logo

Lenze 4900 - Page 325

Lenze 4900
342 pages
Print Icon
To Next Page IconTo Next Page
To Next Page IconTo Next Page
To Previous Page IconTo Previous Page
To Previous Page IconTo Previous Page
Loading...
Signal-flow charts
16-3
48XX/49XXSHB0399
4900Str114
-
±1
C041
21 22
C105
CW /CCW
C 050
+
C 051
n
act
X7
QSP
C 070 V
C 071 T
C 072 K
pn
nn
dn
C 056
C 063
C 022, C 023
I
C 042
QSP
X8
C 032 C 033 ±5000 rpm
+
+
+
+
+
C 255
+
-
+
-
C 254
C 027 C 028C025/C026
512
1024
2048
4096
8192
D ig_In_1
X5
+
+
-
2
1
100 %
C 047
C 025/C 026
C 025/C 027
C 145/C 146
C 282
C 046
16 B it
512
1024
2048
4096
8192
C 030
C 198
Slave or D F-cascade, configuration C 005 = -72-
n
set
a t
n-controller in
% of n
max
n-ctrl.
M
set
in %
o f M
max
I
set
I
max
Fact
to n e x t
drive
D F output
Resolver
evaluation
Act. phase
integrator
G earbox
Set phase
integrator
Speed
trim m in g
C 257
C 256
Phase trim m ing
Phase offset
C 252
Phase
controller
lim it
C ont.
error
lim it
M onitoring
logic
Phase ctrl.
Enc.
const
Resolver
input
D ig. frequency
input
1 8 0 % o f n
max
0 V = n o lim ita tio n
1 0 V = m a x . lim ita tio n
T o r q u e lim ita tio n
n
set
N um erator D enom inator
Encoder constant
Enc.
const.
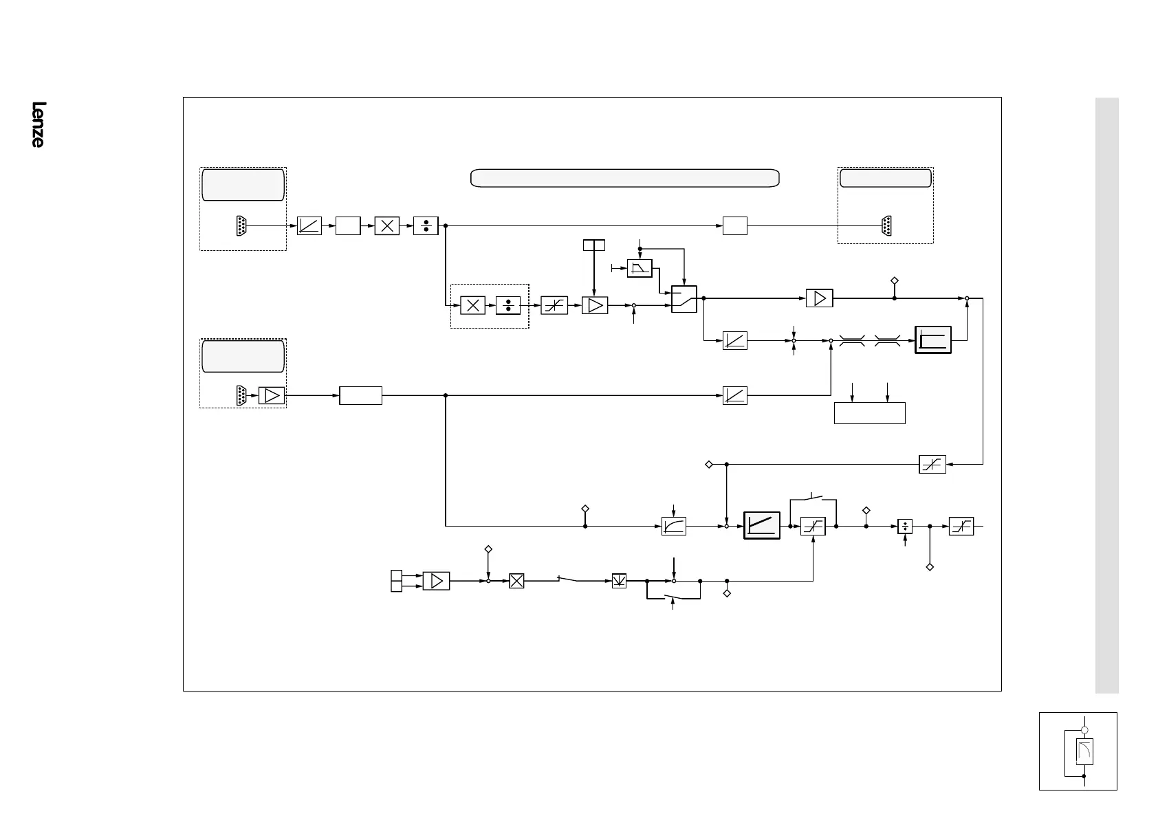
FIG 10-3 Signal-flow chart Configuration C005 = -72- (DF cascade)
Show/Hide Bookmarks

Table of Contents

Related product manuals