EasyManua.ls Logo

Lenze 4900 - Page 50

Lenze 4900
342 pages
Print Icon
To Next Page IconTo Next Page
To Next Page IconTo Next Page
To Previous Page IconTo Previous Page
To Previous Page IconTo Previous Page
Loading...
Installation
4-12
48XX/49XXSHB0399
4900Str130
Z1
Q1
F '1 ...F '3
L
K
F ''1 ...F ''3
L1 L2 L3
L1 L2 L3
L'1 L'2 L'3
L1 L2 L3
PE B
F ''6 ...F ''8
A L1.2 L2.2 L3.2
PE
4902/3/5/8/11LP 4902VP
F4
F3
M 0,5A 500V
BR5
BR3
BR4
PE
V
mains
= 3 4 0 ... 460 V ~ ±0 % 50 ... 6 0 H z
K1
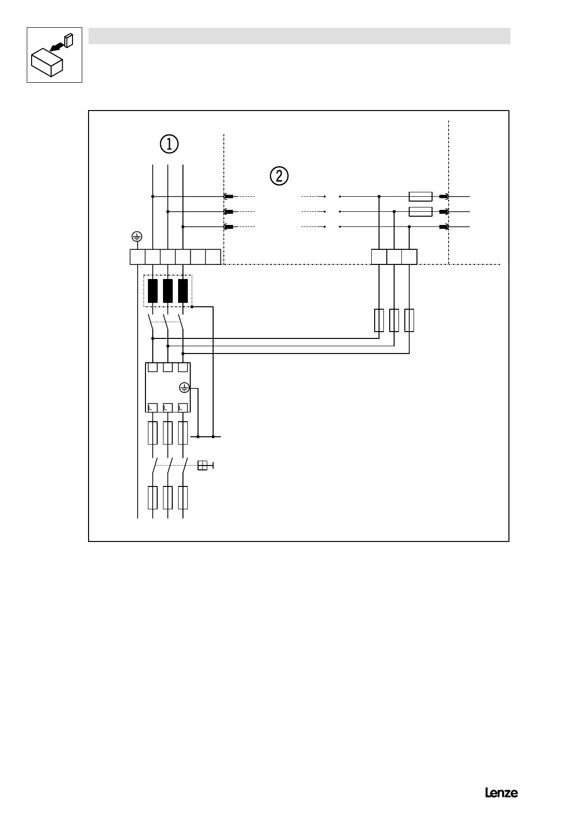
FIG 4-7 Power connection for controllers 4902 to 4907 and 4X08 to 4X13
K1 Mains contactor
F1...F3 Semiconductor fuses for controller protection
F’’1...F’’3 Line protection fuses
F’’6...F’’8 Cable protection fuses 4A
L
K
Commutating choke
Z1 RFI filter
Q1 Main switch
¥
Power stage
¦
Field controller
Show/Hide Bookmarks

Table of Contents

Related product manuals