EasyManua.ls Logo

Lenze E82MV251_2B

Lenze E82MV251_2B
270 pages
To Next Page IconTo Next Page
To Next Page IconTo Next Page
To Previous Page IconTo Previous Page
To Previous Page IconTo Previous Page
Loading...
Appendix
Signal flow charts − Application I/O
14−8
L
EDB82MV752 EN 5.2
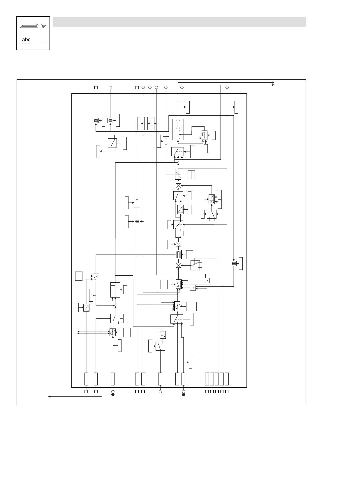
14.5.2 Process controller and setpoint processing (PCTRL1) with Application I/O
PCTRL1
C0410/31
PCTRL1-FOLL1-0
PCTRL1-NADD-OFF
C0410/25
DCTRL1-QSP DCTRL1-CINH
C0412/3
PCTRL1-NADD
C0244
C0105
C0220
C0221
0
1
C0043
-
x+0
/ x/(1-y)
+
-
*
y
PCTRL1-RFG2-0
C0410/32
PCTRL1-RFG2-LOAD I
C0410/16
C0193
Reset
C0191
C0192
C0189
C0181
PCTRL1-SET2
C0049
x
C0190
PCTRL1-FOLL-OUT
PCTRL1-FOLL1
Link between main
and additional setpoint
PCTRL1-RFG1
2
0
C0412/5
PCTRL1-ACT
C0412/4
PCTRL1-SET1
1
PCTRL1-SET3
QSP CINH
C0105
C0225
C0226
C0145
C0071
C0070
C0072
PCTRL1-RFG2
1
>
C0410/18
PCTRL1-I-OFF
C0410/21
PCTRL1-STOP
C0410/19
PCTRL1-OFF
C0410/29
PCTRL1-FADING
C0410/30
PCTRL1-INV-ON
STOP
Imax,
Auto-DCB,
LU, OU
1
>
0
1
C0194
C0195
CINH, DCB
CINH
C0240
0
1
*-1
C0074
C0241
0
1
C0184
0
1
C0228
C0242
Overlay
CINH
Inverse
characteristic
C0229
RESET
+
0
2
1
C0238
C0326
C0322
±200%
C0230
C0231
C0011
-C0011
PCTRL1-NOUT
C0235
MCTRL1
t
0
C0234
C0236
C0239
PCTRL1-SET3
PCTRL1-QMIN
PCTRL1-NMIN
C0010
PCTRL1-ACT
C0017
C0232
PCTRL1-SET=ACT
PCTRL1-SET
PCTRL1-PID-OUT
PCTRL1--LIM
t
0
C0233
C0320
C0321
C0325
SET
NSET1-NOUT
C0138
2
0,1
C0238
C0051
PCTRL1-OUT
8200vec518
Fig. 14−7 Signal flow in the process controller and setpoint processing with Application I/O

Table of Contents

Related product manuals