EasyManua.ls Logo

Lenze E82MV251_2B - Example 2: Simple Pressure Control with Changeable Setpoint Selection

Lenze E82MV251_2B
270 pages
Print Icon
To Next Page IconTo Next Page
To Next Page IconTo Next Page
To Previous Page IconTo Previous Page
To Previous Page IconTo Previous Page
Loading...
Application examples
Pressure control
13−7
L EDB82MV752 EN 5.2
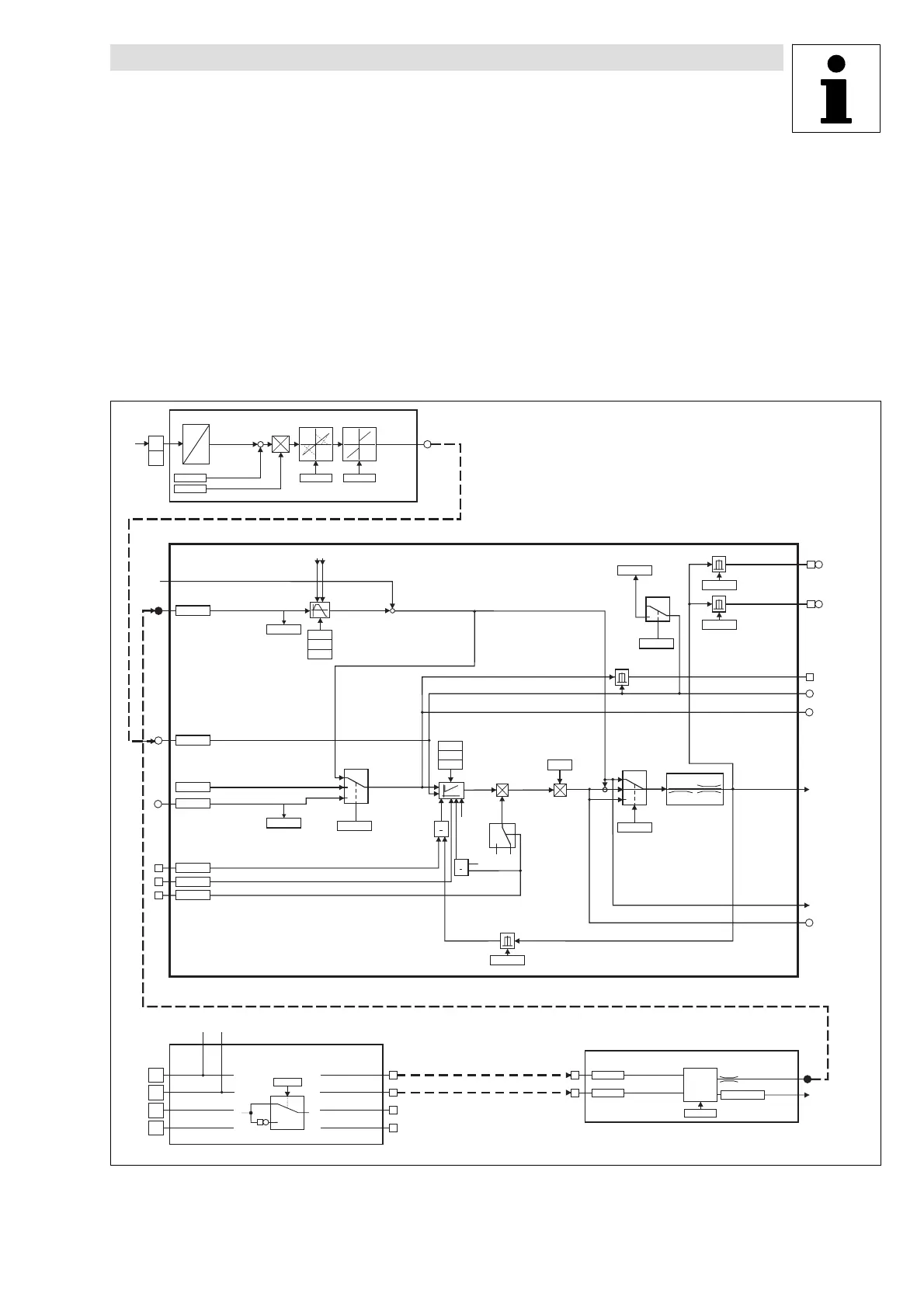
13.1.2 Example 2: Simple pressure control with changeable setpoint selection
The actual value is supplied via the analog input of the standard I/O and linked to the controller
input (PCTRL−ACT).
The setpoint is defined with the motor potentiometer function and supplied to the process
controller via the controller input (PCTRL1−NADD). This value is added to the value from the speed
feedforward control (NSET1). This requires the output of the speed feedforward control
(NSET1−NOUT) to be zero.
PCTRL1
DCTRL1-QSP DCTRL1-CINH
C0412/3
PCTRL1-NADD
C0105
C0220
C0221
+
C0181
PCTRL1-SET2
C0049
PCTRL1-RFG1
2
0
C0412/5
PCTRL1-ACT
C0412/4
PCTRL1-SET1
1
PCTRL1-SET3
C0145
C0071
C0070
C0072
1
>
C0410/18
PCTRL1-I-OFF
C0410/21
PCTRL1-STOP
C0410/19
PCTRL1-OFF
DFIN1
STOP
Imax,
Auto-DCB,
LU, OU
1
>
0
1
CINH, DCB
C0074
C0184
RESET
+
0
2
1
C0238
C0011
-C0011
PCTRL1-NOUT
PCTRL1-OUT
PCTRL1-QMIN
PCTRL1-NMIN
C0010
PCTRL1-ACT
C0017
PCTRL1-SET=ACT
PCTRL1-SET
NSET1-NOUT
C0138
C0239
DCTRL1
2
0,1
C0238
C0051
+
2
1
PCTRL1-SET3
0
AIN1
+
AIN1-GAIN
+
AIN1-OFFSET
C0414/1
C0413/1
C0010
C0034
A
D
X3
AIN1-OUT
8
7
MPOT1
MPOT1-OUT
C0265
C0410/7
MPOT1-UP
C0410/8
MPOT1-DOWN
MPOT1-QSP
C0011
C0010
C0265=3,4,5
MPOT
INIT
DIGIN1
X3
1
1
0
E1
E2
E4
E3
C0411
1
0
8200vec544
Fig. 13−3 Signal flow − overview

Table of Contents

Related product manuals