EasyManua.ls Logo

Lenze EMB9351-E - Anschluss an Antriebsregler 93 XX

Lenze EMB9351-E
146 pages
Go to English
To Next Page IconTo Next Page
To Next Page IconTo Next Page
To Previous Page IconTo Previous Page
To Previous Page IconTo Previous Page
Loading...
Elektrische Installation
Bremschopper 9352
Anschluss an Antriebsregler 93XX
6
39
EDBMB935X DE/EN/FR 11.0
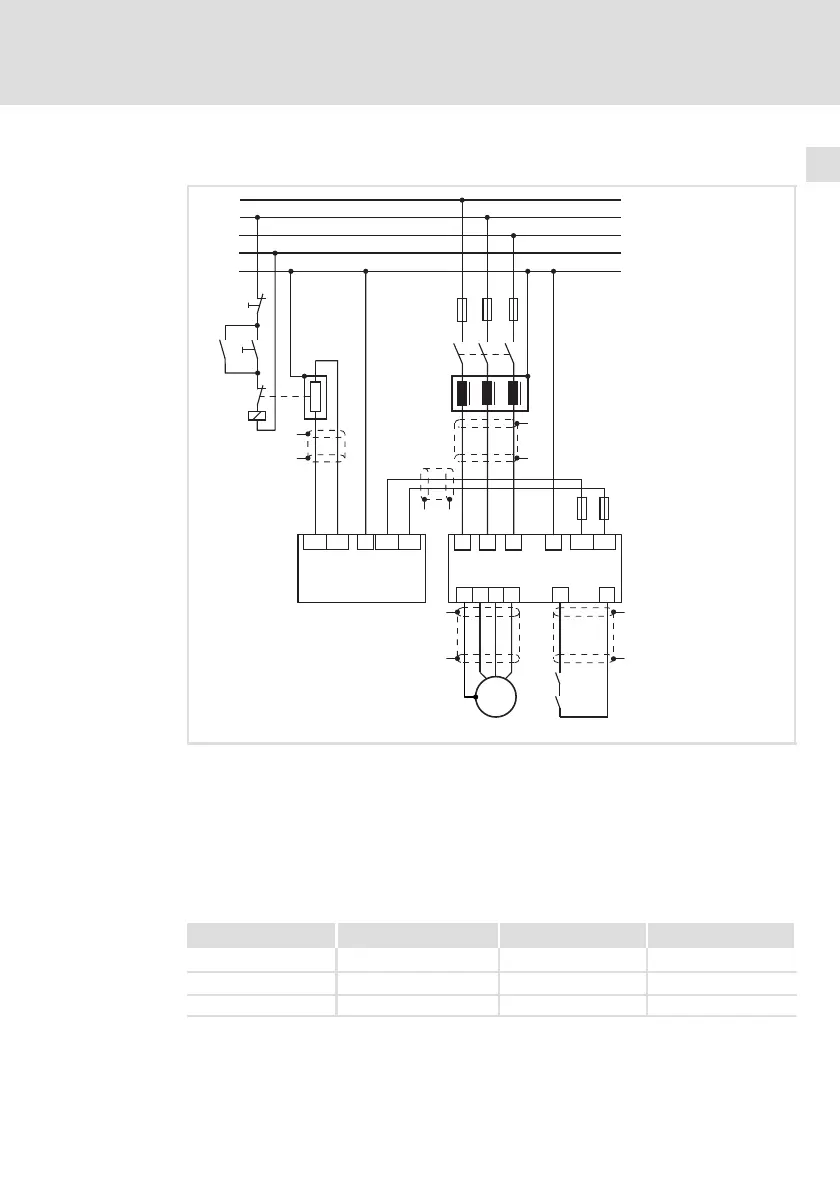
6.5.2 Anschluss an Antriebsregler 93XX
U
V
W
9321 - 9333
9352
Z1
Z2
PE
+UG
+UG
RB1
-UG
-UG
RB2
K1
RFR
L1
L2
L3
28
A1
"
"
OFF
K1
K1
Z3
K1
Z4
ON
F4 F5
PE
PE
"
"
"
"
"
"
L3
N
PE
L1
L2
JRB
M
3~
PE
"
"
F1...F3
9350br_009
Abb. 9 Anschluss Bremschopper 9352 an Antriebsregler 93XX
Z1 Bremschopper
Z2 Antriebsregler
Z3 Netzdrossel
Z4 Bremswiderstand
K1 Netzschütz
F1 ... F3 Netzsicherungen
F4, F5 Zwischenkreissicherungen (Empfehlung)
Netzspannung [V
eff
] Schaltschwelle [V] Schalterstellung S1 Schalterstellung S2
230 375 OFF OFF
400 ... 460 725 ON OFF
480
1)
765 ON ON
1)
Lenze−Einstellung in Fettdruck

Table of Contents

Related product manuals