EasyManua.ls Logo

Lenze EMB9351-E - Braking Units with a Common Brake Resistor

Lenze EMB9351-E
146 pages
Go to English
To Next Page IconTo Next Page
To Next Page IconTo Next Page
To Previous Page IconTo Previous Page
To Previous Page IconTo Previous Page
Loading...
Electrical installation
Parallel connection
Braking units with a common brake resistor
6
90
EDBMB935X DE/EN/FR 11.0
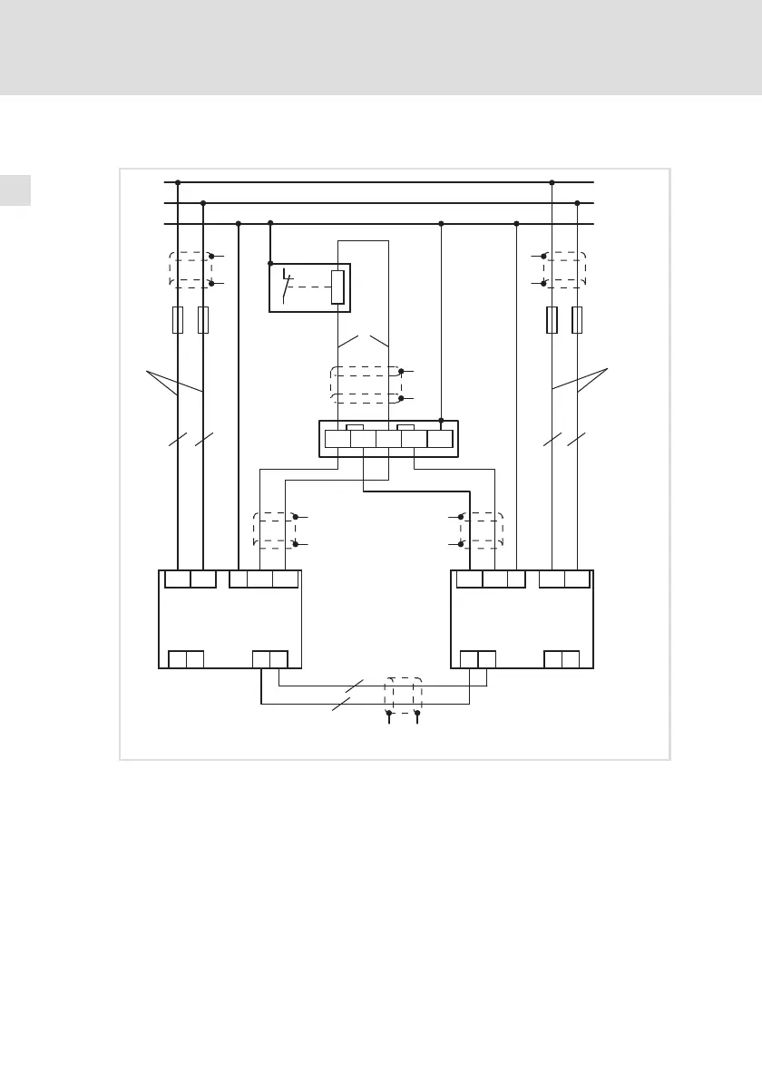
6.7.2 Braking units with a common brake resistor
Maste
r
+UG
-UG
E1
9352
Z1
E2 A1 A2
PE
RB1
RB2
+UG
-UG
PE
F1-F2
Slave
RB1
RB2
E1
9352
Z2
E2 A1 A2
PE
+UG
-UG
F3-F4
Z3
RB1 RB1 RB2 RB2
"
"
"
"
X1
PE
"
"
"
"
"
"
"
"
£
1m, 4mm
2
£
1m, 4mm
2
£
2m
£
2m
£
1m, 4mm
2
£
1m, 4mm
2
0
0
1
JRB
9350br_013
Fig. 11 Parallel operation of 2 brake choppers on one brake resistor
Z1 Brake chopper 1 = master
Z2 Brake chopper 2 = slave
Z3 Brake resistor
F1 ... F4 DC−bus fuses
X1 Terminal strip
JRB Thermal contact has to be integrated into the temperature monitoring
Length difference of the four cables: £ 0.05 m
Cable length of braking unit − brake resistor: £ 8 m

Table of Contents

Related product manuals