EasyManua.ls Logo

Lenze EVS9324-EK - Page 496

Lenze EVS9324-EK
524 pages
To Next Page IconTo Next Page
To Next Page IconTo Next Page
To Previous Page IconTo Previous Page
To Previous Page IconTo Previous Page
Loading...
ANEG1
∗(−1)
ANEG 1-O UT
ANEG 1-IN
C 0701
C 0700
62
AOUT1
C 434/1
+
+
AOUT1-IN
AOUT1-G AIN
AOUT1-O FFSET
C0434/3
C0434/2
C0431
C0433
C0432
X6
63
AOUT2
C 439/1
+
+
AOUT2-IN
AOUT2-G AIN
AOUT2-O FFSET
C 0439/3
C 0439/2
C0436
C0438
C0437
X6
E1
E2
E3
E4
E5
1
0
C 0114/1...5
DIGIN
DIGIN1
DIGIN2
DIGIN3
DIGIN4
DIGIN5
C 0443
28
D C TR L -X 5/28
X5
DIGIN-CINH
1
A1
A2
A3
A4
1
0
C 0118/1...4
DIGOUT
DIGOUT1
DIGOUT2
DIGOUT3
DIGOUT4
C0117/1
C0117/2
C0117/3
C0117/4
C 0444/4
C 0444/3
C 0444/2
C 0444/1
X5
1
C 1477/1
C 0472/3
C 0472/2
DCTRL-CINH
C 0472/1
C 1476/1
Fixed 100 %
Fixed 1
Fixed 100%
C 1477/2
C 0472/4
C 0108/2
C 0109/2
C 0108/1
C 0109/1
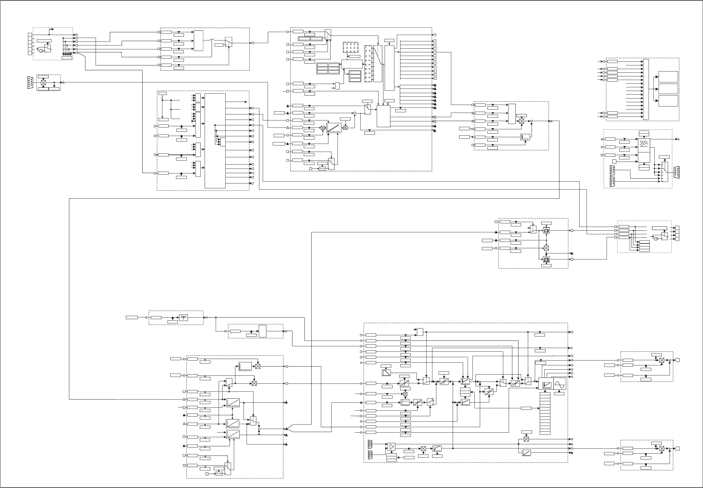
Servo cam profiler 9300
Configuration 10000
k10000e.ds4
21.09.98 M . Funk
C 135.B3
AIF-CTRL.B3
CAN-CTRL.B3
≥1
C 0870/2
DCTRL-CINH1
C 0878/1
C 0870/1
C 0871
DC TR L-TR IP-SET
C 135.B8
AIF-CTRL.B8
CAN-CTRL.B8
≥1
C 135.B9
AIF-CTRL.B9
CAN-CTRL.B9
≥1
C 135.B10
AIF-CTRL.B10
CAN-CTRL.B10
≥1
C 135.B11
AIF-CTRL.B11
CAN-CTRL.B11
≥1
C 0876
DC TRL-TR IP-R ESET
DCTRL
QSP
DISABLE
TRIP-SET
TRIP-RESET
CINH
DCTRL-CINH2
C 0878/2
C 0878/3
C 0878/4
X5/28
DCTRL-IM P
DCTRL-CINH
DCTRL-W ARN
DCTRL-M ESS
>
DCTRL-CW /CCW
DCTRL-NACT=0
DC TRL-TR IP
DCTRL-RDY
DCTRL-STAT*1
DCTRL-STAT*2
DCTRL-STAT*4
DCTRL-STAT*8
DCTRL-QSP
≥1
DC TRL-FAIL
D C T R L -IN IT
C 0135
C 0136/1
16
CSEL1
CSEL1-OUT
CSEL1-CAM *1
CSEL1-CAM *2
CSEL1-CAM *4
CSEL1-LO AD
DM UX
CSEL1-EVENT
C 1424/4
C1425/1
C 1424/1
C 1424/2
C 1420
C 1424/3
C 1424/5
C 1425/2
C 1425/3
C 1425/4
C 1425/5
1
0
C1312
CDATA-SEL
CDATA-CYCLE
CDATA-RESET
CDATA-REL-SEL
CDATA-XIN
Data-
memory
C 1300
Data-
evaluation
0
1
2
3
4
5
6
7
Kurve
CTRL
C 1309
CDATA-BUSY-LO AD
CDATA-BUSY-LENX
CDATA-CHK-ERR
CDATA-X0
CDATA-X<0
CDATA-X>XM AX
CDATA-SEC1
CDATA-SEC2
CDATA-ACTLEN
CDATA-LEN1
CDATA-LEN2
CDATA-LEN3
CDATA-LEN4
CDATA-LEN5
CDATA-ACTCAM
CDATA
In te r-
polation
CDATA-XO FFS
CDATA-XRESET
CDATA-DFIN
CDATA-XFACT
CDATA-X-TP
+
0
1
X5/E5
CDATA-XPO S
CDATA-YO UT
CDATA-NOUT
CDATA-LOAD
&
RSP
CDATA-HOLD
C1311
C 1301/X
C 1303/X C 1304
C 1305/X C 1306
C 1313 C 1313
C 1332
C1333
C 1314
C 1323/8
C0429
C 1315/X
C 1316/X
C 1320/2
C 1320/3
C 1321/2
C 1321/3
C 1322/6
C 1322/1
C 1322/2
C 1322/7
C 1322/3
C 1322/4
C 1322/5
C 1323/6
C 1323/1
C 1323/2
C 1323/7
C 1323/3
C 1323/5
C 1324/2
C 1324/3
C 1325/2
C 1325/3
C 1323/4
C 1326/1
C 1327/1
CDATA-SEC3
CDATA-SEC4
CDATA-SEC5
CDATA-YEND
CDATA-X-TP/E5
C 1322/8
CDATA-N-SYNCH
C1317
C 1334
CDATA-TP-POS
C 1324/3
C 1325/3
0
1
C 0156/1
STAT.B0
STAT.B2
STAT.B3
STAT.B4
STAT.B5
STAT.B14
STAT.B15
DCTRL-IM P
STAT
DCTRL-W ARN
DCTRL-M ESS
DCTRL-NACT=0
C 0156/2
C 0156/3
C 0156/4
C 0156/5
DCTRL-STAT*1
DCTRL-STAT*2
DCTRL-STAT*4
DCTRL-STAT*8
0
1
2
3
4
5
6
8
9
DCTRL-CINH
7
10
11
12
13
14
15
C 0156/6
C 0156/7
AIF-
Statusw ord
C 0150
CAN-OUT1-
Statusw ord
YSET1
YSET1-OUT
C1357/1
YSET1-O FFS
C 1356/1
C1353/1
YSET1-FACT
C 1352/1
C 1359/1
YSET1-IN
C1358/1
+
C1350
C1355/1
YSET1-RESET
C 1354/1
C 1359/2
YSET1-IN-SYNC H
C1358/2
CTRL
C 1355/2
YSET1-SYNCH
C1354/2
C 0472/9
1
0
C0105
C 0254
+
-
C0908
C 0070
C 0071
+
-
1
+
1
0
C 0022
C 0081
C 0087
C 0088
C 0089
C 0090
C 0091
PW M
C 0420
C 0490
C 0495
M CTRL-PHI-SET
MCTRL-N2-LIM
MCTRL-M-ADD
MCTRL-PHI-LIM
MCTRL-PHI-ON
C0906/2
M CTRL-N-SET
VECT-CTRL
M CTRL-NSET2
MCTRL
MCTRL-NACT
M CTRL-PHI-ACT
C0906/6
C0906/1
MCTRL-MSET2
MCTRL-N/M-SW T
1
0
MCTRL-HI-M-LIM
M C T R L -L O -M -L IM
C0051
+
C 0050
C0018
C 0006
C0084
C 0085
C0086
C0025
MCTRL-MMAX
MCTRL-IMAX
C 0909
C 0011
±100%
C0056
C 0072
C0906/5
C 0907/1
M C TR L-FLD-W EAK
C0906/7
MCTRL-I-SET
C0906/8
MCTRL-I-LOAD
C0907/4
MCTRL-QSP
C 0907/3
C 0907/2
C 0906/3
C0906/4
C0893
C 0892
C0899
C0900
C 0902
C 0901
C 0890
C 0894
C0895
C 0897
C 0896
C0891
C0898
MCTRL-QSP-OUT
RESOLVER
ENCODER
DCTRL-QSP
≥1
MCTRL-MACT
M C TRL-D C V O LT
C0042
M CTRL-PHI-ANA
CONST
+
+
C 0497
X7
X8
M CTRL-PHI-ANG
C 0075
C 0076
C 0077
C 0078
M CTRL-P-ADAPT
C0906/9
C 0903
MCTRL-IACT
Speed
lim ita tio n
Speed controller
Torque
lim ita tio n
Q SP- decelaration ram p
A ctual speed
Phase controller
C u rre n t
controller
M CTRL-PHI-ACT
1
0
1
0
C 1347/1
CCTRL-IN
C 1346/1
C 1347/2
CCTRL-NSET2
C 1346/2
C 1343/3
CCTRL-N2-SET
C 1342/3
C 1341/1
CCTRL-NRED
C 1340/1
C 1341/2
CCTRL-M RED
C 1340/2
C 1343/1
CCTRL-RESET
C 1342/1
CCTRL-M OUT
CCTRL-NOUT
CCTRL-PHI-SET
CCTRL-POUT
CCTRL-PHI-ACT
CCTRL
-
CC TRL-TPIN
0
1
X5/E4
C 0430
C 1342/2
C 1343/2
C 1345/1
CCTRL-YEND
C 1344/1
C1343/5
CCTRL-SUB-Y-END
C1342/5
CCTRL-PHI-SET2
C 1342/4
C1343/4
CC TRL-TPIN /E4
C1345/2
CC TRL-TP-PO S
C 1344/2
C 1380/1
C1389/1
CERR1
CERR1-ERR
CERR1-PHI-IN
C1389/2
C 1388/1
C 1388/2
CERR1-W ARN
CERR1-LIM
CERR1-W FAC
CERR1-DISABLE
C 1380/2
1
0
0
C1387/1
C 1386/1
C1385/1
C 1384/1
CERR1-W -LIM
C 0472/10
ABS1
ABS1-O UT
ABS1-IN
C 0662
C 0661
DCTRL-CW /CCW
MCTRL-IMAX
DCTRL-RDY
MCTRL-MMAX
CERR1-ERR
DC TRL-TR IP
CDATA-X0
C0030
C0540
CTRL
DFOUT-AN-IN
C0547
C 0541
DFOUT-DF-IN
C0549
C 0542
C0548
C 0544
DFOUT-SYN-RDY
DFOUT-OUT
DFOUT
C0545
1
0
2
3
4
5
X8
X9
X10
C 0540
E5X5
C 0430/5
C 0425
DFIN
DFIN-OUT
C 0426
X9
C 0427
Fixed 100 %
C 1476/16
Fixed 1
Show/Hide Bookmarks

Table of Contents

Related product manuals