EasyManua.ls Logo

Lenze EVS9328EP - Internal Motor Control (MCTRL)

Lenze EVS9328EP
334 pages
Print Icon
To Next Page IconTo Next Page
To Next Page IconTo Next Page
To Previous Page IconTo Previous Page
To Previous Page IconTo Previous Page
Loading...
Function library
Function blocks
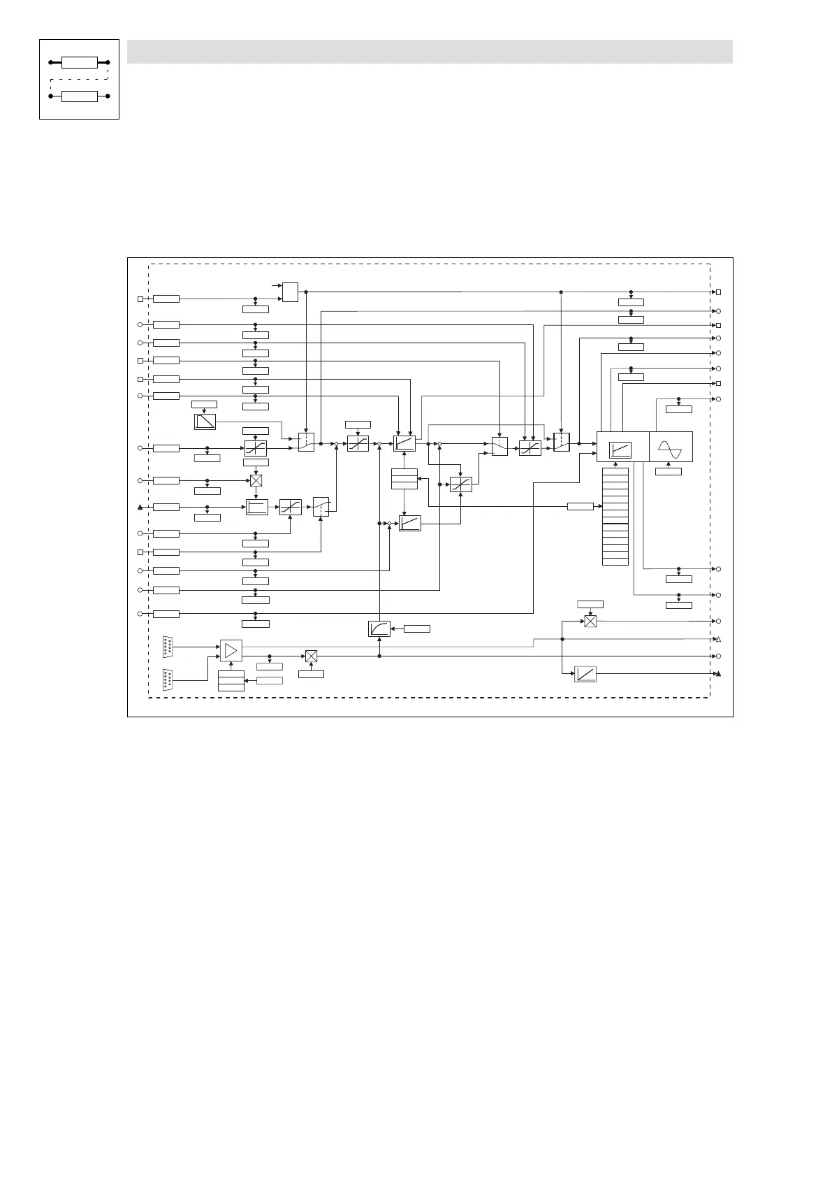
3.5.43 Internal motor control (MCTRL)
3−208
l
EDSVS9332P−EXT DE 2.0
3.5.43 Internal motor control (MCTRL)
Purpose
This function block controls the drive machine consisting of angle controller, speed controller, and
motor control.
1
0
C0105
++
-
+ -
+
C0072
C0070
C0071
C0909
+
1
0
C0006
C0075
C0076
C0077
C0078
C0081
C0084
PWM
MCTRL-N-SET
VECT-CTRL
MCTRL-NSET2
MCTRL
C0906/1
MCTRL-MSET2
MCTRL-N/M-SWT
1
1
0
0
MCTRL-HI-M-LIM
MCTRL-LO-M-LIM
C0050
C0018
C0086
MCTRL-MMAX
MCTRL-IMAX
±100%
C0056
C0054
MCTRL-I-SET
C0906/8
MCTRL-I-LOAD
C0907/4
MCTRL-QSP
C0907/3
C0907/2
C0906/3
C0906/4
C0893
C0899
C0900
C0902
C0901
C0890
MCTRL-QSP-OUT
DCTRL-QSP
MCTRL-DCVOLT
C0042
+
C0497
MCTRL-IACT
C0022
QSP
C0906/2
C0906/7
MCTRL-M-ADD
MCTRL-FLD-WEAK
C0891
C0898
MCTRL-MACT
C0089
C0090
C0091
C0088
C0087
C0085
C0053
MCTRL-P-ADAPT
MCTRL-PHI-SET
MCTRL-PHI-LIM
MCTRL-PHI-ON
MCTRL-N2-LIM
C0906/9
C0908
C0906/5
C0907/1
C0906/
6
MCTRL-NACT
MCTRL-PHI-ACT
MCTRL-PHI-ANA
CONST
MCTRL-PHI-ANG
C0051
C0025
C0011
C0254
C0420
C0490
C0495
X7
Resolver
Encoder
X8
1
>
C0903
C0894
C0895
C0897
C0896
C0892
MCTRL-UTILIZATION
C0064
MCTRL-LOAD-I2xt
C0066
fb_mctrl
Fig. 3−161 Internal motor control (MCTRL)

Table of Contents

Related product manuals