EasyManua.ls Logo

Lewmar Ocean 2 - Electrical Connections for Model 3; Concept;Ocean 3 Dual Direction Wiring Diagram; Concept;Ocean;Capstan 3 Single Direction Wiring Diagram

Lewmar Ocean 2
26 pages
Print Icon
To Next Page IconTo Next Page
To Next Page IconTo Next Page
To Previous Page IconTo Previous Page
To Previous Page IconTo Previous Page
Loading...
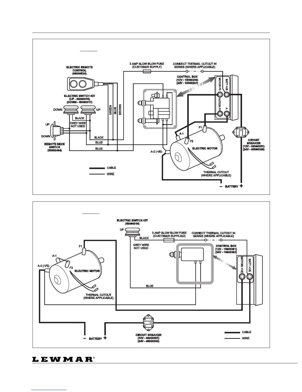
ELECTRICAL CONNECTIONS ELEKTRISCHE VERBINDUNGEN BRANCHEMENTS ELECTRIQUE
CONEXIONES ELECTRICAS ELEKTRISKA ANSLUTNINGAR
Page 20
Concept/Ocean/Capstan 3 12v/24v
Series Wound Single Direction Control Box Wiring Diagram - WSD 0876
Concept/Ocean 3 12v/24v
Series Wound Dual Direction Control Box Wiring Diagram - WSD 0876

Table of Contents

Related product manuals