EasyManua.ls Logo

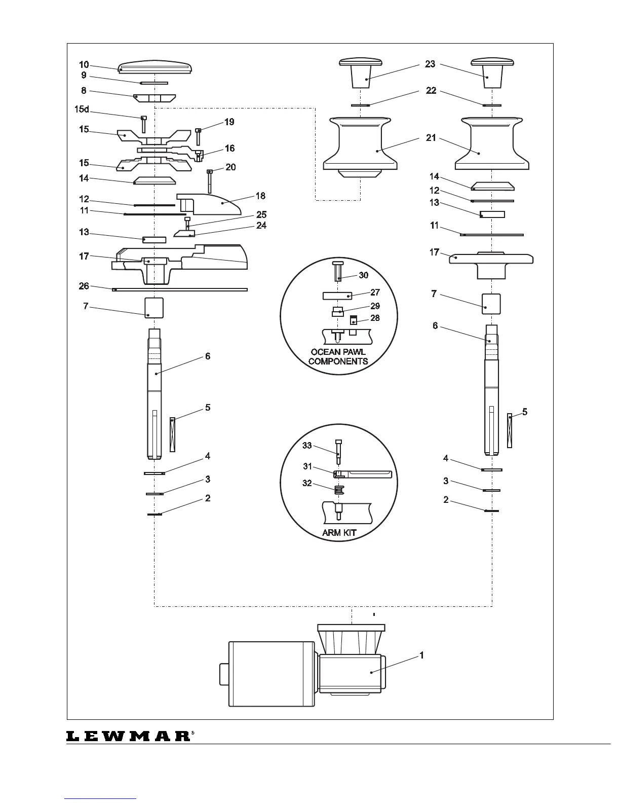
Lewmar Ocean 2 - Concept;Ocean;Capstan 1 Parts Listing; Concept;Océan;Capstan 1 Nomenclature des Plèces; Concept;Ocean;Capstan 1 Komponent Förteckning

Lewmar Ocean 2
26 pages
Print Icon
To Next Page IconTo Next Page
To Next Page IconTo Next Page
To Previous Page IconTo Previous Page
To Previous Page IconTo Previous Page
Loading...
Page 22

Table of Contents

Related product manuals