EasyManua.ls Logo

LEXIUM MHDA1056 - External SSI Encoder Connection

Default Icon
204 pages
Print Icon
To Next Page IconTo Next Page
To Next Page IconTo Next Page
To Previous Page IconTo Previous Page
To Previous Page IconTo Previous Page
Loading...
69
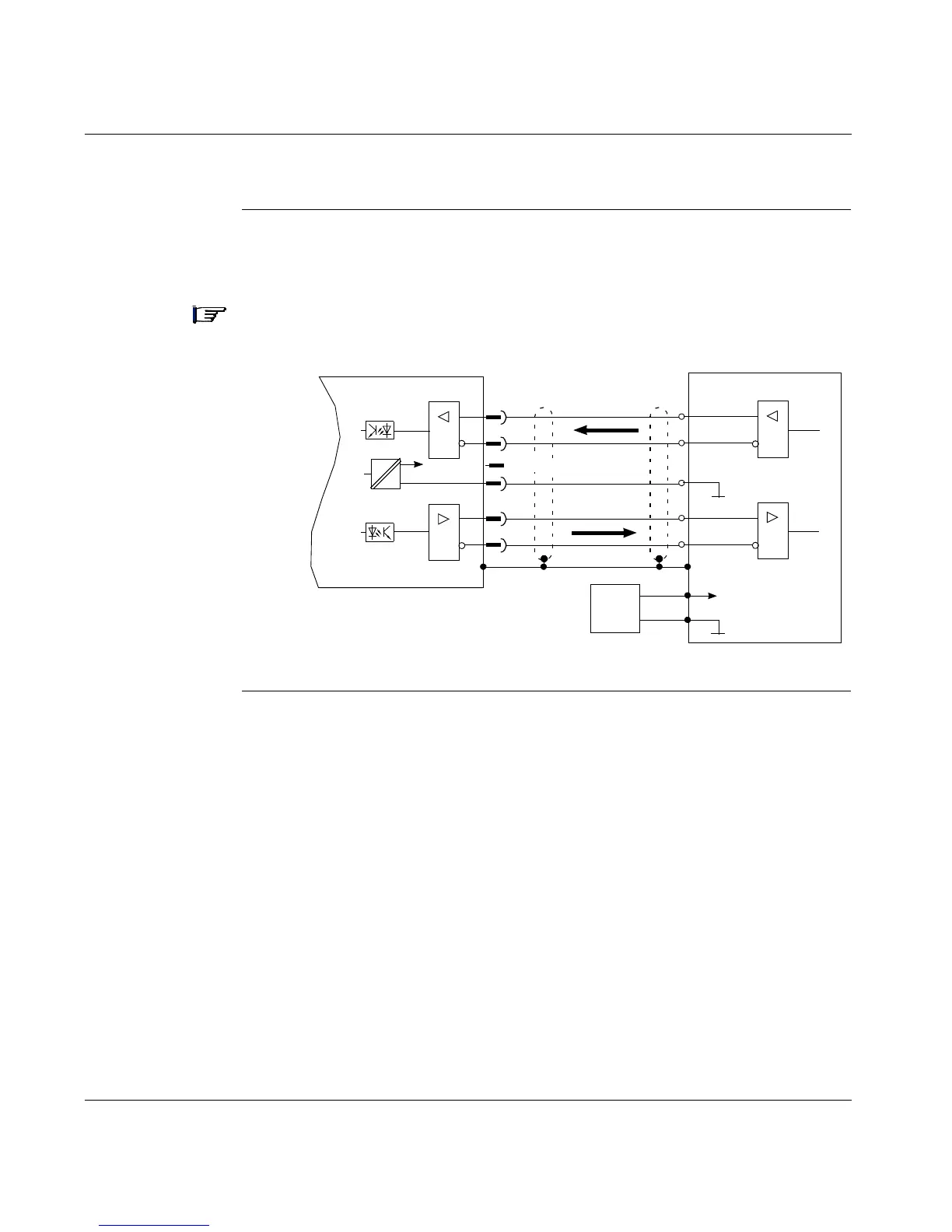
Signal Wiring, continued
External SSI
encoder
connection
The following diagram shows the connections between an external SSI encoder
and the 17D drive.
Note: The drivers are supplied from an internal supply voltage.
P
Com
must always be connected to the encoder ground.
SSI encoder is powered by an external Power Supply
=
=
Lexium 17D
RS-485
RS-485
5Vdc
X5
6
7
5
8
1
4
Data -
Data+
Clock +
P
Com
SSI encoder *
Power
Supply
Vdc
Gnd
+Vdc
RS-485
RS-485
Gnd
Clock -
=
=
Reserved
Gnd
* See Telemecanique XCC range

Table of Contents

Related product manuals