EasyManua.ls Logo

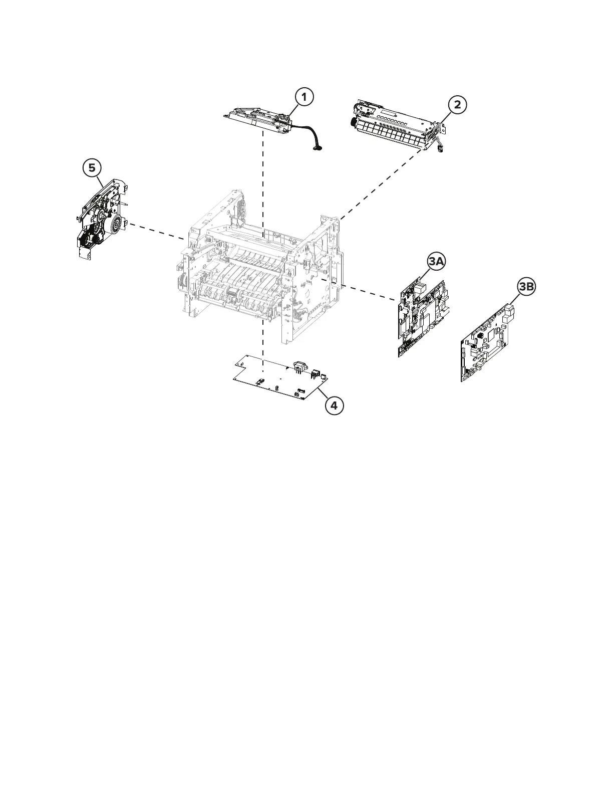
Lexmark MX421 - Assembly 4: Electronics 1

Lexmark MX421
408 pages
Print Icon
To Next Page IconTo Next Page
To Next Page IconTo Next Page
To Previous Page IconTo Previous Page
To Previous Page IconTo Previous Page
Loading...
Assembly 4: Electronics 1
7017-2xx, -4xx, -6xx
Parts catalog
329

Table of Contents

Other manuals for Lexmark MX421

Related product manuals