EasyManua.ls Logo

LG 24MT45V - Module and Control Schematics; HD;FHD Modules and IR;LED Control

LG 24MT45V
31 pages
Print Icon
To Next Page IconTo Next Page
To Next Page IconTo Next Page
To Previous Page IconTo Previous Page
To Previous Page IconTo Previous Page
Loading...
THE SYMBOL MARK OF THIS SCHEMETIC DIAGRAM INCORPORATES
SPECIAL FEATURES IMPORTANT FOR PROTECTION FROM X-RADIATION.
FIRE AND ELECTRICAL SHOCK HAZARDS, WHEN SERVICING IF IS
ESSENTIAL THAT ONLY MANUFACTURES SPECIFIED PARTS BE USED FOR
THE CRITICAL COMPONENTS IN THE SYMBOL MARK OF THE SCHEMETIC.
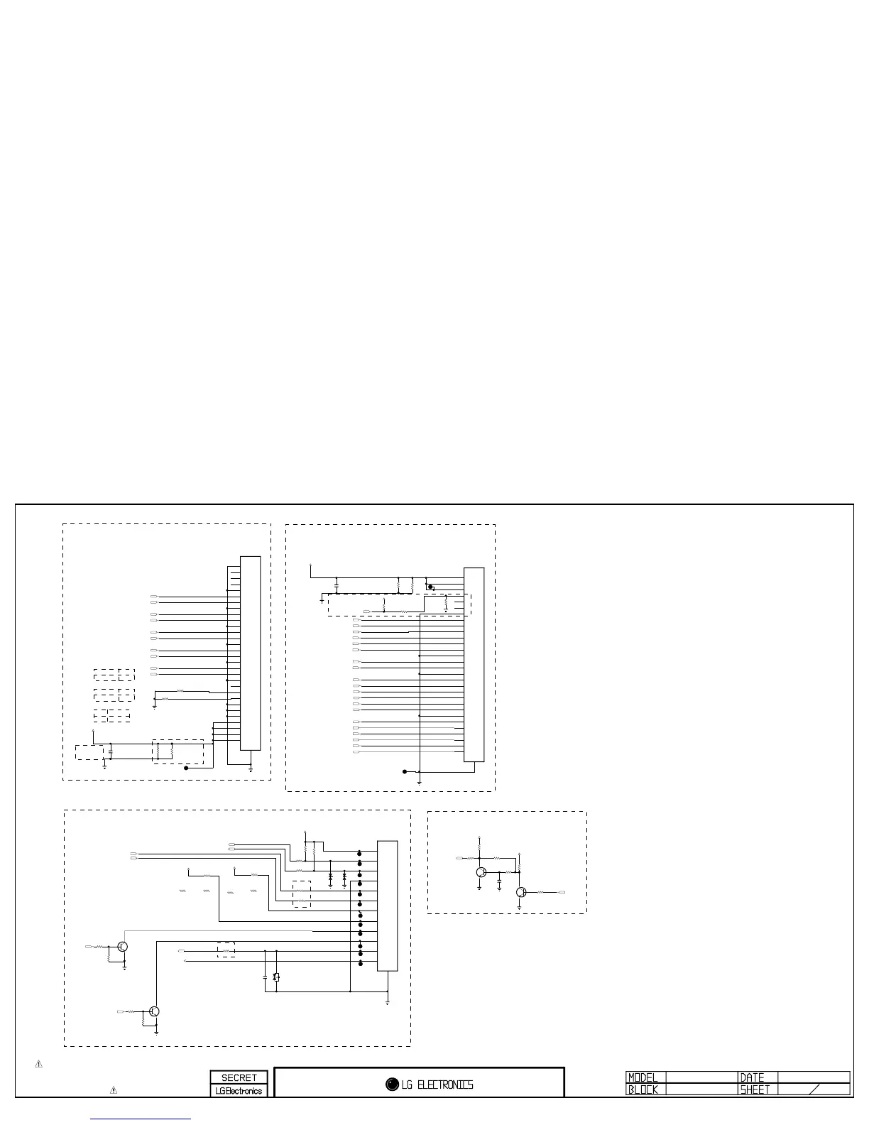
IR/CONTROL/MODULE
2013/05/23
6
MA55
Q601
MMBT3904(NXP)
E
B
C
R614
3.3K
JP605
JP612
R600
10K
JP609
R602
10K
KEY_SDA
Q600
MMBT3904(NXP)
E
B
C
JP606
JP608
R613
3.3K
JP602
C601
1000pF
50V
+3.3V_ST
+3.3V_ST
JP607
R609
200
+3.3V_ST
KEY1
LED_AMBER
JP603
+3.3V_ST
IR
KEY_SCL
KEY2
R611
100
JP611
JP610
VA600
20V
JP604
R612
100
LED_RED
R601
10K
OPT
P601
12507WR-12L
1
2
3
4
5
6
7
8
9
10
11
12
13
JP601
Q603
MMBT3904(NXP)
(OPT)IR_OUT
E
B
C
R619
0
OPT
R620
10K
(OPT)IR_OUT
+3.3V_ST
R617
22
(OPT)IR_OUT
R621
10K
(OPT)IR_OUT
IR_OUT
Q602
MMBT3904(NXP)
(OPT)IR_OUT
E
B
C
IR
R622
47K
(OPT)IR_OUT
C603
1000pF
50V
(OPT)IR_OUT
+3.3V_ST
R618
10K
(OPT)IR_OUT
RXA1+
RXB0-
RXB1+
RXB0+
RXACK-
+12V_PANEL_POWER
RXBCK-
R616
5.6K
FHD(5V Panel)
RXACK+
R605
5.6K
HD(12V Panel)
RXBCK+
R604
5.6K
HD(12V Panel)
RXACK-
JP614
RXA0-
R608 0
23.6" (LVDS)
RXA2+
JP600
C600
0.1uF
16V
HD(12V Panel)
RXA0+
RXA0-
+5V_PANEL_POWER
RXACK+
P602
10031HR-30
FHD(5V Panel)
1
2
3
4
5
6
7
8
9
10
11
12
13
14
15
16
17
18
19
20
21
22
23
24
25
26
27
28
29
30
31
RXA0+
RXA1-
C602
0.1uF
16V
FHD(5V Panel)
RXB3+
RXA2+
RXA1+
JP613
RXA3+
RXB3-
RXB2-
R607 0
26"/27.5" (LVDS)
RXA3+
RXA3-
RXA1-
RXB1-
RXA3-
RXB2+
RXA2-
P600
10031HR-30
HD(12V Panel)
1
2
3
4
5
6
7
8
9
10
11
12
13
14
15
16
17
18
19
20
21
22
23
24
25
26
27
28
29
30
31
RXA2-
R615
5.6K
FHD(5V Panel)
R623
22
TOUCH KEY
R624
22
TOUCH KEY
R625
4.7K
OPT
R627
0
FHD(5V Panel)
+3.3V_Normal
INTERLACE_CTRL
R626
100
OPT
R603
4.7K
OPT
R610-*2
680
1/10W
5%
LB_joy_stick
R606 150
1/10W
1%
MT_joy_stick
R606-*1 270
1/10W
1%
touch_key
R610 270
1/10W
1%
MT_joy_stick
R610-*1 330
1/10W
1%
touch_key
R606-*2 150
1/10W
1%
LB_joy_stick
D410
30V
CDS3C30GTH
D411
30V
CDS3C30GTH
IR/LED and Control
121118
Red LED(Non M75):4.8mA
(IR Port protection against ESD)
0424
121018
100ohm->200ohm
R604,R610
2012->1608
Amber LED(Non M75):5.9mA
12.07.17
Change D601~3
Red LED(M75) : 5.9mA
Amber LED(M75) : 16mA
IR_OUT(Ready)
Module(HD)
Module(FHD)
4.7K/10W*4ea 5.6/10W*2ea
111116
100uF Ecap
Deletion
EAE38362801
Close to Wafer
For Interlace Mode
High : Interlace Mode
Low : Normal Mode
2013.07.15
VESA
NC
PIN21
2.7~3.3V
GND
PIN22
0~0.7V JEDIA
21.6
PIN22 (29")
0~0.7V
JEDIA
VESA
2.7~3.3V
ALL panel
Copyright 2014 LG Electronics. Inc. All right reserved.
Only for training and service purposes
LGE Internal Use Only

Related product manuals