EasyManua.ls Logo

LG 29MT45V - Page 20

LG 29MT45V
31 pages
Print Icon
To Next Page IconTo Next Page
To Next Page IconTo Next Page
To Previous Page IconTo Previous Page
To Previous Page IconTo Previous Page
Loading...
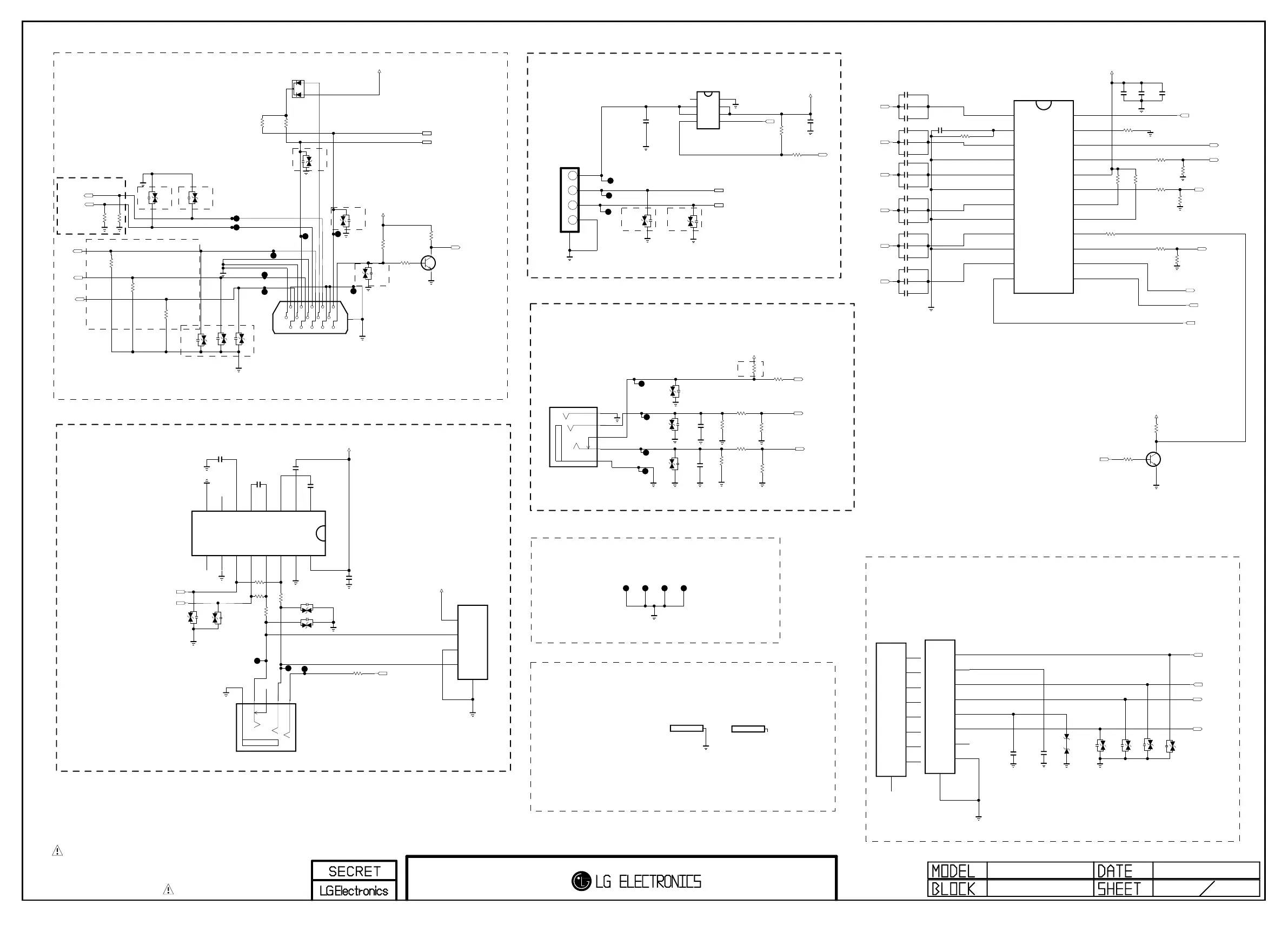
USB DOWN STREAM
THE SYMBOL MARK OF THIS SCHEMETIC DIAGRAM INCORPORATES
SPECIAL FEATURES IMPORTANT FOR PROTECTION FROM X-RADIATION.
FIRE AND ELECTRICAL SHOCK HAZARDS, WHEN SERVICING IF IS
ESSENTIAL THAT ONLY MANUFACTURES SPECIFIED PARTS BE USED FOR
THE CRITICAL COMPONENTS IN THE SYMBOL MARK OF THE SCHEMETIC.
2013/05/23
INTERFACE
7
MA55
VA716
20V
USB_DM
1:AL8
IC701
AP2191DSG
3
IN_2
2
IN_1
4
EN
1
GND
5
FLG
6
OUT_1
7
OUT_2
8
NC
JP712
JP713
+5V_Normal
JP711
R725
10K
USB_CTL
USB_OCD
JK701
3AU04S-305-ZC-(LG)
1234
5
USB_DP
1:AL7
VA712
20V
C708
0.1uF
16V
R726
47
Q700
MMBT3904(NXP)
DSUB
E
B
C
DSUB_VSYNC
2:E18
R705
10K
DSUB
VA700
20V
DSUB
R713
47K
DSUB
JP705
JP704
R711
10K
DSUB
DSUB_G+
VA707
20V
DSUB
JK703
SPG09-DB-010
DSUB
1
RED
2
GREE N
3
BLUE
4
GND_ 1
5
DDC_ GND
6
RED_ GND
7
GREE N_G ND
8
BLUE _GN D
9
NC
10
SYNC _GN D
11
GND_ 2
12
DDC_ DAT A
13
H_SY NC
14
V_SY NC
15
DDC_ CLO CK
16
SHIL ED
JP709
D700
MMBD6100
DSUB
A2
C
A1
VA701
20V
DSUB
VA710
20V
DSUB
+5V_Normal
+3.3V_ST
DSUB_DET
RGB_DDC_SDA
R701
75
DSUB
VA711
20V
DSUB
JP703
RGB_DDC_SCL
R708
10K
DSUB
DSUB_B+
VA703
5.5V
DSUB
JP700
DSUB_R+
VA706
5.5V
DSUB
JP701
R710
47K
DSUB
DSUB_HSYNC
2:E18
R702
75
DSUB
VA705
5.5V
DSUB
R700
75
DSUB
JP707
JP710
PM_TXD
VA708
20V
VA704
20V
OPT
JP708
+3.3V_ST
IC700
MAX3232CDR
Hotel_Model(RS232C apply)
3
C1-
2
V+
4
C2+
1
C1+
6
V-
5
C2-
7
DOUT2
8
RIN2
9
ROUT2
10
DIN2
11
DIN1
12
ROUT1
13
RIN1
14
DOUT1
15
GND
16
VCC
C704
0.1uF
16V
Hotel_Model(RS232C apply)
VA702
20V
OPT
JP706
R704
0
NON_Hotel_Model(RS232C Bypass)
C701
0.33uF
16V
Hotel_Model(RS232C apply)
R703
0
NON_Hotel_Model(RS232C Bypass)
C700
0.33uF
16V
Hotel_Model(RS232C apply)
+3.3V_ST
R706
100
IR_OUT
C702
0.33uF
16V
Hotel_Model(RS232C apply)
R709
0
(OPT)IR_OUT
JK700
KJA-PH-1-0177
Hotel_Model(RS232C apply)
3 M3_DETECT
4 M4
5 M5_GND
1 M1
6 M6
R707
100
C703
0.1uF
16V
Hotel_Model(RS232C apply)
JP702
VA709
20V
PM_RXD
P701
12507WS-04L
SW DEBUG Wafer
1
2
3
4
5
R718
470K
OPT
C707
220pF
50V
AUDIO_IN
R719
15K
AUDIO_IN
R717
470K
OPT
JP715
PC_L_IN
+3.3V_Normal
PC_AUDIO_DET
VA715
20V
OPT
R723
10K
AUDIO_IN
R720
15K
AUDIO_IN
R721
470K
AUDIO_IN
C706
220pF
50V
AUDIO_IN
R724
1K
AUDIO_IN
JP716
VA713
20V
AUDIO_IN
R722
10K
AUDIO_IN
JK702
KJA-PH-1-0177
AUDIO_IN
3 M3_DETECT
4 M4
5 M5_GND
1 M1
6 M6
PC_R_IN
JP718
JP717
VA714
20V
AUDIO_IN
JP719 JP721JP720JP714
MGJ63348202
M700-*1
JackShield(for CKD)
MGJ63348201
M700
JackShield(for NonCKD)
DSUB/SC1_G+
+5V_Normal
SC1_R+
C722
0.1uF
DSUB
SC1_G+
DSUB_VSYNC
DSUB_R+
DSUB_B+
DSUB/SC1_B+
DSUB_G+
SC1_B+
DSUB/SC1_VSYNC
SC1_FB
R727 470K
DSUB
DSUB_HSYNC
IC702
BA7657F
DSUB
3
GREEN_1_INUT
2
HD_SYNC_SIGNAL_DETECTOR
4
GROUND1
1
RED_1_INPUT
6
GROUND2
5
BLUE_1_INPUT
7
RED_2_INPUT
8
GROUND3
9
GREEN_2_INPUT
10
GROUND4
11
BLUE_2_INPUT
12
VD_1_INPUT
13
VD_2_INPUT
14
VD_OUTPUT
15
BLUE_OUTPUT
16
CONTROL
17
COMPOSITE_SYNC_OUTPUT
18
COMPOSITE_VIDEO_INPUT
19
GREEN_OUTPUT
20
VCC
21
RED_OUTPUT
22
HD_OUTPUT
23
HD_2_INPUT
24
HD_1_INPUT
DSUB/SC1_R+
C709
470pF
50V
DSUB
DSUB/SC1_HSYNC
C725
22uF
10V
DSUB
C711
0.01uF
25V
DSUB
R712
22
DSUB
R715
75
DSUB
R729
75
DSUB
R716
75
DSUB
R714
68K
DSUB
R728
2K
DSUB
R732
10K
DSUB
R731
2.4K
DSUB
C733
22uF
10V
DSUB
C712
22uF
6.3V
OPT
C710
22uF
6.3V
DSUB
C715
22uF
6.3V
OPT
C713
0.01uF
25V
DSUB
C714
22uF
6.3V
DSUB
C718
22uF
6.3V
OPT
C716
0.01uF
25V
DSUB
C717
22uF
6.3V
DSUB
C721
22uF
6.3V
OPT
C719
0.01uF
25V
DSUB
C720
22uF
6.3V
DSUB
C729
22uF
6.3V
OPT
C727
0.01uF
25V
DSUB
C728
22uF
6.3V
DSUB
C732
22uF
6.3V
OPT
C730
0.01uF
25V
DSUB
C731
22uF
6.3V
DSUB
VA719
5.5V
OPT
VA717
5.5V
OPT
ZD701
5.6B
LAN JACK
VA720
5.5V
OPT
JK704-*1
RJ45VT-01SN002
MAIN(ETHERNET)
1
1
2
2
3
3
4
4
5
5
6
6
7
7
8
8
9
9
C735
0.01uF
50V
LAN JACK
ZD700
5.6B
LAN JACK
VA718
5.5V
OPT
EPHY_RN
EPHY_RP
EPHY_TP
EPHY_TN
C734
0.01uF
50V
LAN JACK
DSUB/SC1_OUT_CTRL
Q701
MMBT3904(NXP)
DSUB
E
B
C
R730
4.7K
DSUB
R733
10K
DSUB
+3.3V_ST
R734
0
JK704
RJ45VT-01SN002
SUB(ETHERNET_XMULTIPLE(MP))
1
2
3
4
5
6
7
8
9
9
C705
22uF
6.3V
R735
300
OPT
R736
300
OPT
R737
300
OPT
121128
ESD improve
OPT->APPLY
121128
ESD improve
OPT->APPLY
120103
ESD diode addition
EAF61530301 2EA
USB(SIDE)
111026
ESD diode deletion
EAH39491601 2EA
DSUB RGB
121128
ESD improve
OPT->APPLY
11.10.27
To Improve Ringing issue
LOW capacitance Part apply
11.10.31
121128
ESD improve
OPT->APPLY
121128
ESD improve
OPT->APPLY
To Improve EMI
121128
ESD improve
OPT->APPLY
121128
ESD improve
OPT->APPLY
RS232C(SIDE)
12.08.10
47K->470K
PC AUDIO(SIDE)
120918
JIG GND Point addition
Jack Shield (HDMI1, HDMI2, RGB)
DSUB/SCART Switch
130529
DSUB_VSYNC/HSYNC Pull-Down
ETHERNET
111026
LAN Jack deletion
111117
LAN Jack Addition for T2
Copyright 2014 LG Electronics. Inc. All right reserved.
Only for training and service purposes
LGE Internal Use Only

Related product manuals