EasyManua.ls Logo

LG 32LH2000 - Page 24

LG 32LH2000
78 pages
Print Icon
To Next Page IconTo Next Page
To Next Page IconTo Next Page
To Previous Page IconTo Previous Page
To Previous Page IconTo Previous Page
Loading...
THE SYMBOL MARK OF THIS SCHEMETIC DIAGRAM INCORPORATES
SPECIAL FEATURES IMPORTANT FOR PROTECTION FROM X-RADIATION.
FILRE AND ELECTRICAL SHOCK HAZARDS, WHEN SERVICING IF IS
ESSENTIAL THAT ONLY MANUFATURES SPECFIED PARTS BE USED FOR
THE CRITICAL COMPONENTS IN THE SYMBOL MARK OF THE SCHEMETIC.
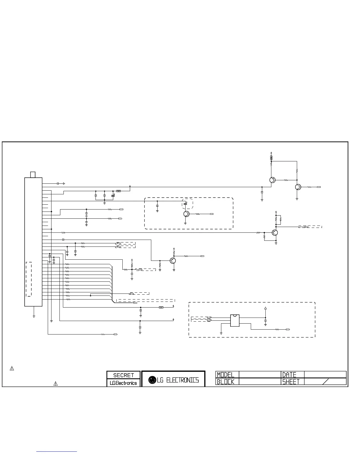
TUNER
FE_TS_DATA[5]
FE_TS_DATA[6]
FE_TS_DATA[1]
FE_TS_DATA[0]
FE_TS_DATA[3]
FE_TS_CLK
FE_TS_DATA[2]
FE_TS_DATA[4]
FE_TS_SYN
FE_TS_DATA[7]
FE_TS_VAL
+5V_GENERAL
+3.3V_TUNER
+5V_GENERAL
FE_BOOSTER_CTL
/FE_RESET
FE_TS_DATA[0-7],FE_TS_CLK,FE_TS_VAL,FE_TS_SYN
FE_DEMOD_SDA
+1.2V_TUNER
Q1200
2SC3052
E
B
C
FE_AGC_SPEED_CTL
FE_TS_ERR
Q1203
2SC3052
E
B
C
+3.3V_TUNER
FE_TUNER_SDA
FE_SIF
+5V_GENERALFE_DEMOD_SCL
FE_TUNER_SCL
FE_TS_VAL
IC1201
NL17SZ08DFT2G
3
2
4
1 5
FE_TS_ERR
+3.3V_TUNER
FE_TS_VAL_ERR
GND
FE_TS_VAL
FE_VMAIN
+5V_GENERAL
L1202
MLB-201209-0120P-N2
L1201
MLB-201209-0120P-N2
L1204
MLB-201209-0120P-N2
C1212
47uF
16V
R1238
0
R1241
200
R1240
200
R1239
1K
OPT
R1205 0
R1208 47
R1207 47
C1205
47pF
50V
OPT
C1206
47pF
50V
OPT
C1220
0.1uF
16V
C1215
0.1uF
16V
Q1201
ISA1530AC1
E
B
C
Q1205
ISA1530AC1
E
B
C
Q1202
ISA1530AC1
E
B
C
C1209
68uF
10V
R1223 0
C1222
0.01uF
25V
C1208
0.1uF
16V
OPT
C1210
0.1uF
16V
C1219
0.1uF
16V
C1214
0.1uF
16V
C1227
0.1uF
16V
C1200
0.1uF
16V
C1221
0.1uF
16V
R1229
10
R1224
100
R1225
100K
C1216
100pF 50V
C1207
100pF
50V
R1209
10K
R1231
10K
R1232
10K
R1230
2.2K
R1222
33
R1221
33
R1226
4.7K
R1213 47
R1218 47
R1211 47
R1210 47
R1219 47
R1216 47
R1220 47
R1217 47
R1214 47
R1212 47
R1215 47
R1245
47
R1227
470
C1217
47pF
50V
C1218
47pF
50V R1228
82
TU1200
TDFW-G235D
TUNER
1
ANT[5V]
2
BB[CTR]
3
GND_1
4
+B[5V]
5
NC_1
6
RF_AGC
7
TP[VT]
8
NC_2
9
GND_2
10
SDA_T
11
SCL_T
12
AIF_1
13
NC_3
14
GND
15
VIDEO
16
NC_4
17
SIF
18
SDA
19
SCL
20
RST
21
3.3V
22
1.2V
23
ERR
24
MCL
25
D7
26
D6
27
D5
28
D4
29
D3
30
D2
31
D1
35
SHIELD
32
D0
33
VAL
34
SYNC
Tuner PLL : 0xC2
Analog Tuner : 0x86
Digital Tuner : 0x1E
10 11
TUNER
OPTION : RF AGC
DVB-CI DETECT
DVB-T/C : 1.2V(MICRONAS demod)
DVB-T : 1.8V(INTEL demod)
2009.03.25
EAX60686904
Copyright © 2009 LG Electronics. Inc. All right reserved.
Only for training and service purposes
LGE Internal Use Only

Table of Contents

Related product manuals