EasyManua.ls Logo

LG 48842 - Page 17

LG 48842
43 pages
Print Icon
To Next Page IconTo Next Page
To Next Page IconTo Next Page
To Previous Page IconTo Previous Page
To Previous Page IconTo Previous Page
Loading...
16
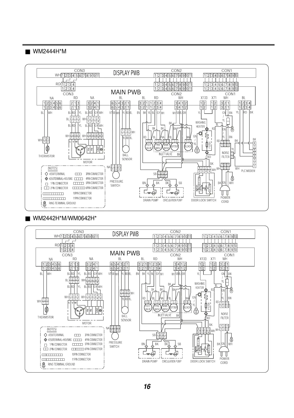
WM2444H*M
WM2442H*M/WM0642H*
All manuals and user guides at all-guides.com

Related product manuals