EasyManua.ls Logo

LG 48842 - Wiring Diagram; Program Chart

LG 48842
43 pages
Print Icon
To Next Page IconTo Next Page
To Next Page IconTo Next Page
To Previous Page IconTo Previous Page
To Previous Page IconTo Previous Page
Loading...
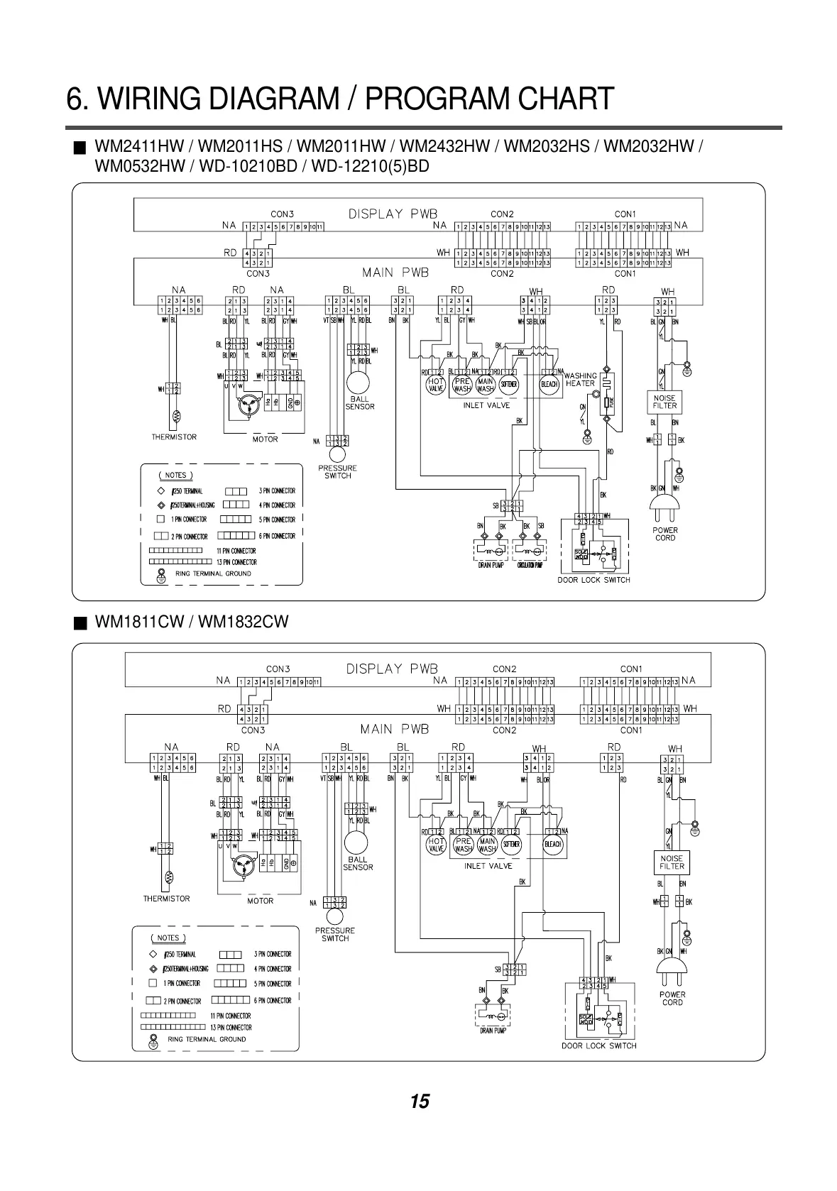
6. WIRING DIAGRAM / PROGRAM CHART
WM2411HW / WM2011HS / WM2011HW / WM2432HW / WM2032HS / WM2032HW /
WM0532HW / WD-10210BD / WD-12210(5)BD
WM1811CW / WM1832CW
15
All manuals and user guides at all-guides.com

Related product manuals