EasyManua.ls Logo

LG 55G2 - USB HUB

LG 55G2
122 pages
Print Icon
To Next Page IconTo Next Page
To Next Page IconTo Next Page
To Previous Page IconTo Previous Page
To Previous Page IconTo Previous Page
Loading...
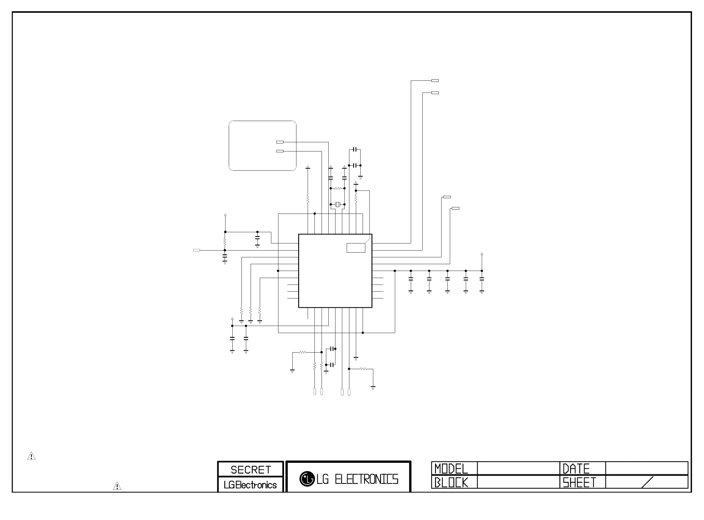
THERMAL
THE SYMBOL MARK OF THIS SCHEMETIC DIAGRAM INCORPORATES
SPECIAL FEATURES IMPORTANT FOR PROTECTION FROM X-RADIATION.
FILRE AND ELECTRICAL SHOCK HAZARDS, WHEN SERVICING IF IS
ESSENTIAL THAT ONLY MANUFATURES SPECFIED PARTS BE USED FOR
THE CRITICAL COMPONENTS IN THE SYMBOL MARK OF THE SCHEMETIC.
C4200
0.1uF
OPT
USB_HUB_IC_IN_DM
C4208
0.1uF
R4206
12K
1/16W 1%
C4201
4.7uF
C4211
0.1uF
OPT
USB_DM2
C4210
0.1uF
OPT
IC4200
USB2512B-AEZG
1
USBDM_DN[1]
3
USBDM_DN[2]
7
NC_2
9
NC_4
10
VDDA33_2
11
TEST
12
PRTPWR[1]/BC_EN[1]
13
OCS_N[1]
14
CRFILT
15
VDD33_1
16
PRTPWR[2]/BC_EN[2]
17
OCS_N[2]
18
NC_5
19
NC_6
20
NC_7
21
NC_8
22
SDA/SMBDATA/NON_REM[1]
23
VDD33_2
24
SCL/SMBCLK/CFG_SEL[0]
25
HS_IND/CFG_SEL[1]
26
RESET_N
27
VBUS_DET
28
SUSP_IND/LOCAL_PWR/NON_REM[0]
29
VDDA33_3
30
USBDM_UP
31
USBDP_UP
32
XTALOUT
5
VDDA33_1
8
NC_3
6
NC_1
4
USBDP_DN[2]
2
USBDP_DN[1]
33
XTALIN/CLKIN
34
PLLFILT
35
RBIAS
36
VDD33_3
37
[EP]VSS
+3.3V_NORMAL
R4205
1M
1%
C4203
0.1uF
/USB_OCD1
R4204
100K
+3.3V_NORMAL
+3.3V_NORMAL
C4213
0.1uF
C4202
0.1uF
C4205
15pF
R4202
100K
R4200
100K
X4200
24MHz
USB_DP2
USB_DM1
R4203
100K
C4212
0.1uF
OPT
C4207
15pF
C4204
0.1uF
USB_DP1
/RST_HUB
USB_HUB_IC_IN_DP
USB_CTL1
R4201
100K
C4206
1uF
25V
C4214
1uF
25V
C4209
1uF
25V
R4208 22
OPT
USB_CTL2
R4207 22
OPT
/USB_OCD2
R4209
100K
OPT
R4210
100K
OPT
42
USB3_HUB
2011.06.13
USB HUB
Copyright ⓒ 2012 LG Electronics. Inc. All right reserved.
Only for training and service purposes
LGE Internal Use Only

Other manuals for LG 55G2

Related product manuals