EasyManua.ls Logo

LG ARUN40LS2A - Page 17

LG ARUN40LS2A
35 pages
Print Icon
To Next Page IconTo Next Page
To Next Page IconTo Next Page
To Previous Page IconTo Previous Page
To Previous Page IconTo Previous Page
Loading...
17
ENGLISH
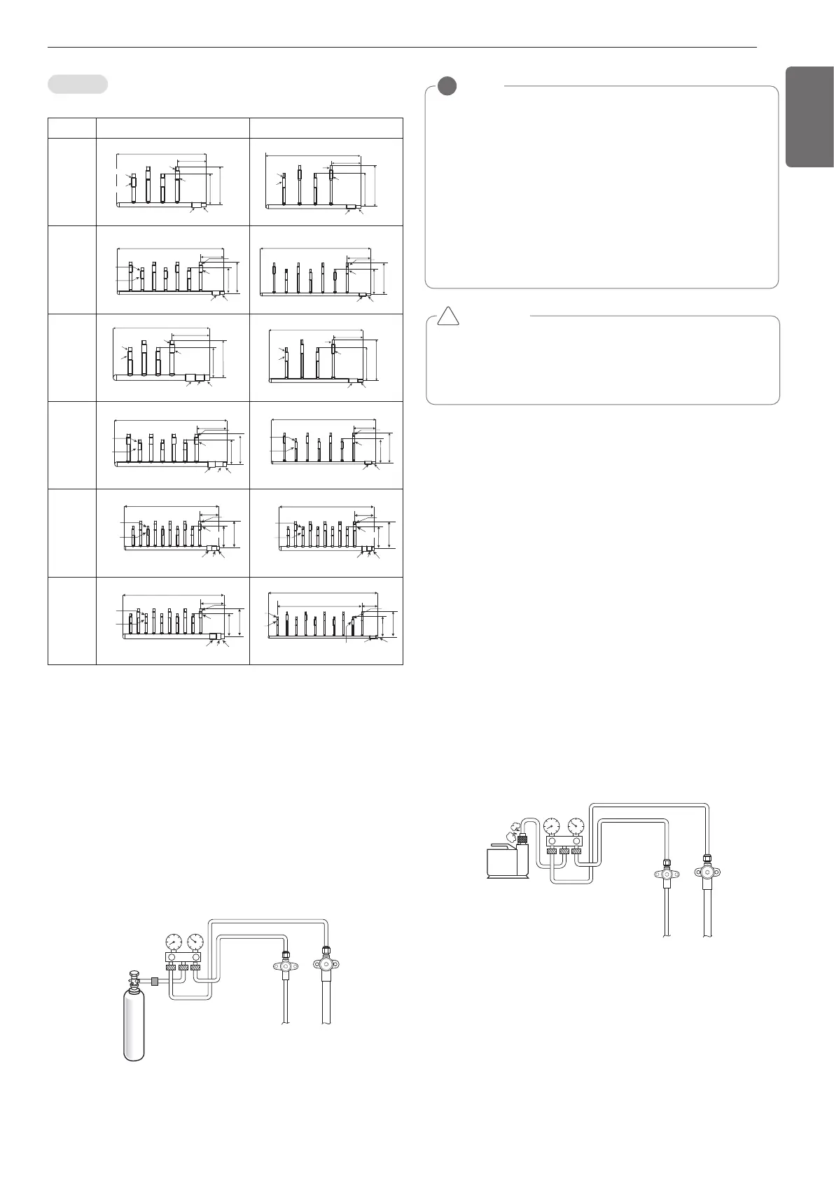
[unit:mm]
Header
Models Gas pipe Liquid pipe
4 branch
ARBL054
120
150
360
120
ID15.88
ID12.7
ID12.7
ID15.88
ID15.88
ID19.05
120
120
150
360
ID9.52
ID9.52
ID6.35
ID6.35
ID9.52
ID12.7
7 branch
ARBL057
540
ID15.88
ID19.05
120
150
120
ID15.88
ID12.7
ID15.88
ID12.7
ID15.88
ID19.05
540
ID9.52
ID12.7
120
150
120
ID6.35
ID9.52
ID9.52
ID12.7
4 branch
ARBL104
120
150
400
160
ID15.88
ID12.7
ID19.05
ID15.88
ID22.2
ID28.58 ID25.4
120
120
150
360
ID9.52
ID9.52
ID6.35
ID6.35
ID9.52
ID12.7
7 branch
ARBL107
120
150
160
580
ID19.05
ID15.88
ID15.88
ID12.7
ID22.2ID28.58 ID25.4
120
150
700
120
ID6.35
ID9.52
ID9.52
ID6.35
ID9.52ID12.7
10 branch
ARBL1010
120
150
160
760
ID19.05
ID15.88
ID15.88
ID12.7
ID22.2ID28.58 ID25.4
120
150
160
760
ID19.05
ID15.88
ID15.88
ID12.7
ID22.2ID28.58 ID25.4
10 branch
ARBL2010
120
150
182
775
ID19.05
ID15.88
ID15.88
ID12.7
ID28.58
ID31.8 ID34.9
120
150
107
60*9=540
700
ID6.35
ID9.52
ID19.05ID15.88
ID9.52
ID6.35
Leak test
Leak test should be made by pressurizing nitrogen gas to 3.8
MPa(38.7kgf/cm
2
). If the pressure does not drop for 24 hours, the sys-
tem passes the test. If the pressure drops, check where the nitrogen
leaks. For the test method, refer to the following figure. (Make a test
with the service valves closed. Be also sure to pressurize liquid pipe,
gas pipe and high/low pressure common pipe)
The test result can be judged good if the pressure has not be reduced
after leaving for about one day after completion of nitrogen gas pres-
surization.
During this test, set DIP switch as Vacuum Mode.
Nitrogen gas
cylinder
Liquide pipe
Gas pipe
Leak Test and Vacuum drying
NOTE
!
If the ambient temperature differs between the time when pressure is
applied and when the pressure drop is checked, apply the following
correction factor
There is a pressure change of approximately 0.1 kg/cm
2
(0.01 MPa) for
each 1°C of temperature difference.
Correction= (Temp. at the time of pressurization – Temp. at the time
of check) X 0.1
For example: Temperature at the time of pressurization
(3.8 MPa) is 27 °C
24 hour later: 3.73 MPa, 20°C
In this case the pressure drop of 0.07 is because of tem-
perature drop And hence there is no leakage in pipe oc-
curred.
CAUTION
To prevent the nitrogen from entering the refrigeration system in
the liquid state, the top of the cylinder must be at higher position
than the bottom when you pressurize the system.
Usually the cylinder is used in a vertical standing position.
!
Vacuum
Vacuum drying should be made from the service port provided on the
outdoor unit’s service valve to the vacuum pump commonly used for
liquid pipe, gas pipe. Vaccum of the pipe and the indoor units should
be made from the port of the outdoor unit's service valve with the
service valve closed.
* Never perform air purging using refrigerant.
• Vacuum drying: Use a vacuum pump that can evacuate to -100.7kPa
(5 Torr, -755mmHg).
- Evacuate the system from the liquid and gas pipes with a vacuum
pump for over 2 hrs and bring the system to -100.7kPa.
After maintaining system under that condition for over 1 hr, confirm
the vacuum gauge rises. The system may contain moisture or leak.
- Following should be executed if there is a possibility of moisture re-
maining inside the pipe.
(Rainwater may enter the pipe during work in the rainy season or over
a long period of time)
After evacuating the system for 2 hrs, give pressure to the system to
0.05MPa(vacuum break) with nitrogen gas and then evacuate it again
with the vacuum pump for 1hr to -100.7kPa(vacuum drying). If the
system cannot be evacuated to -100.7kPa within 2 hrs, repeat the
steps of vacuum break and its drying.
Finally, check if the vacuum gauge does not rise or not, after main-
taining the system in vacuum for 1 hr.
Vacuum pump
Liquid pipe
Gas pipe

Related product manuals