EasyManua.ls Logo

LG EC970W - BLOCK DIAGRAMS; Power Block Diagram

LG EC970W
78 pages
Print Icon
To Next Page IconTo Next Page
To Next Page IconTo Next Page
To Previous Page IconTo Previous Page
To Previous Page IconTo Previous Page
Loading...
3-22 3-23
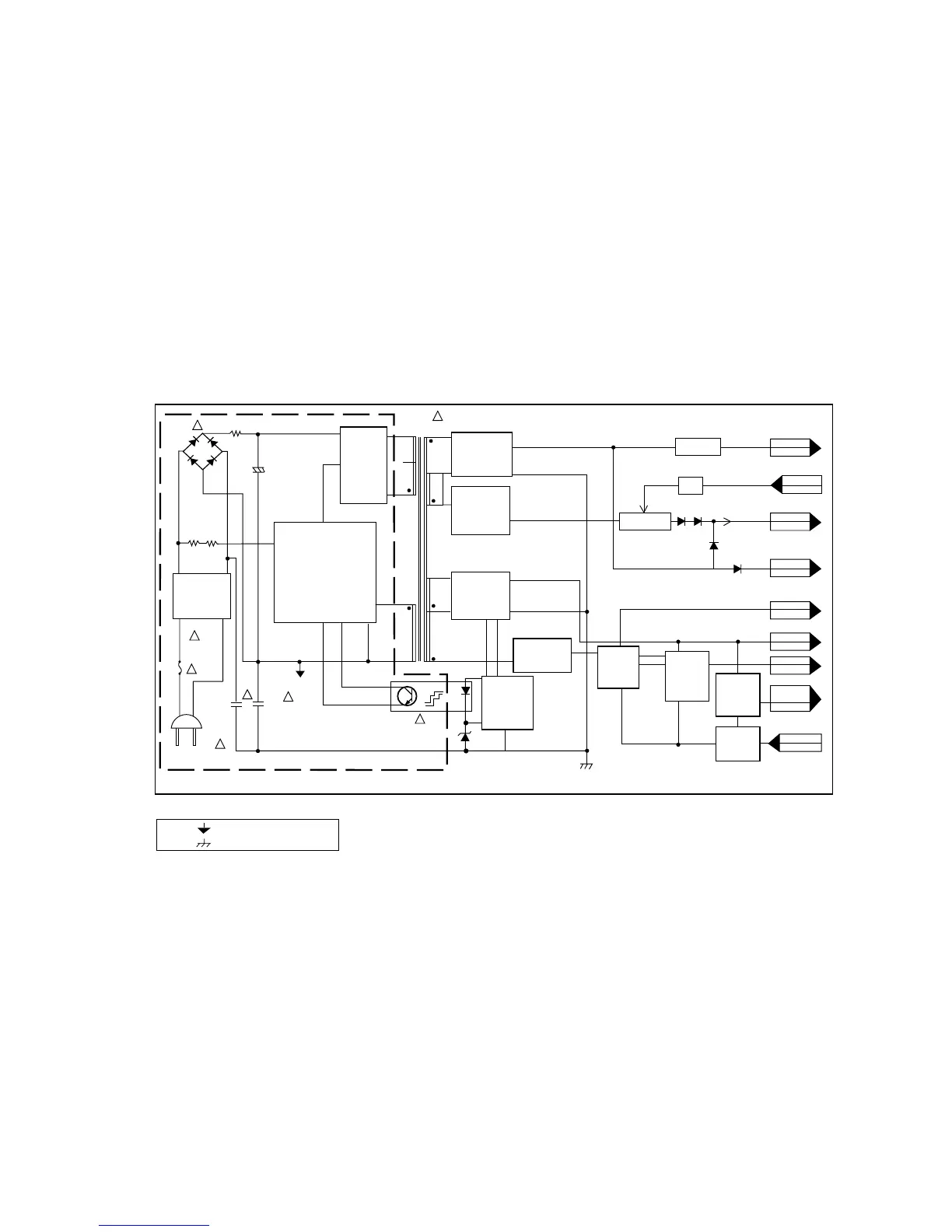
BLOCK DIAGRAMS
1. Power Block Diagram

Table of Contents

Related product manuals