EasyManua.ls Logo

LG FFH-286A - KA78 R33 Low Dropout Voltage Regulator; LC72131 AM;FM PLL Frequency Synthesizer

LG FFH-286A
49 pages
Print Icon
To Next Page IconTo Next Page
To Next Page IconTo Next Page
To Previous Page IconTo Previous Page
To Previous Page IconTo Previous Page
Loading...
- 2-39 -
KA78R33
Low Dropout Voltage Regulator
Description
The KA78R33 is a low-dropout voltage regulator suitable for various electronic equipments. It provides
constant voltage power source with TO-220 4 lead full mold package. Dropout voltage of KA78R33 is
below 0.5V in full rated current(1A). This regulator has various function such as peak current protection,
thermal shut down, overvoltage protection and output disable function.
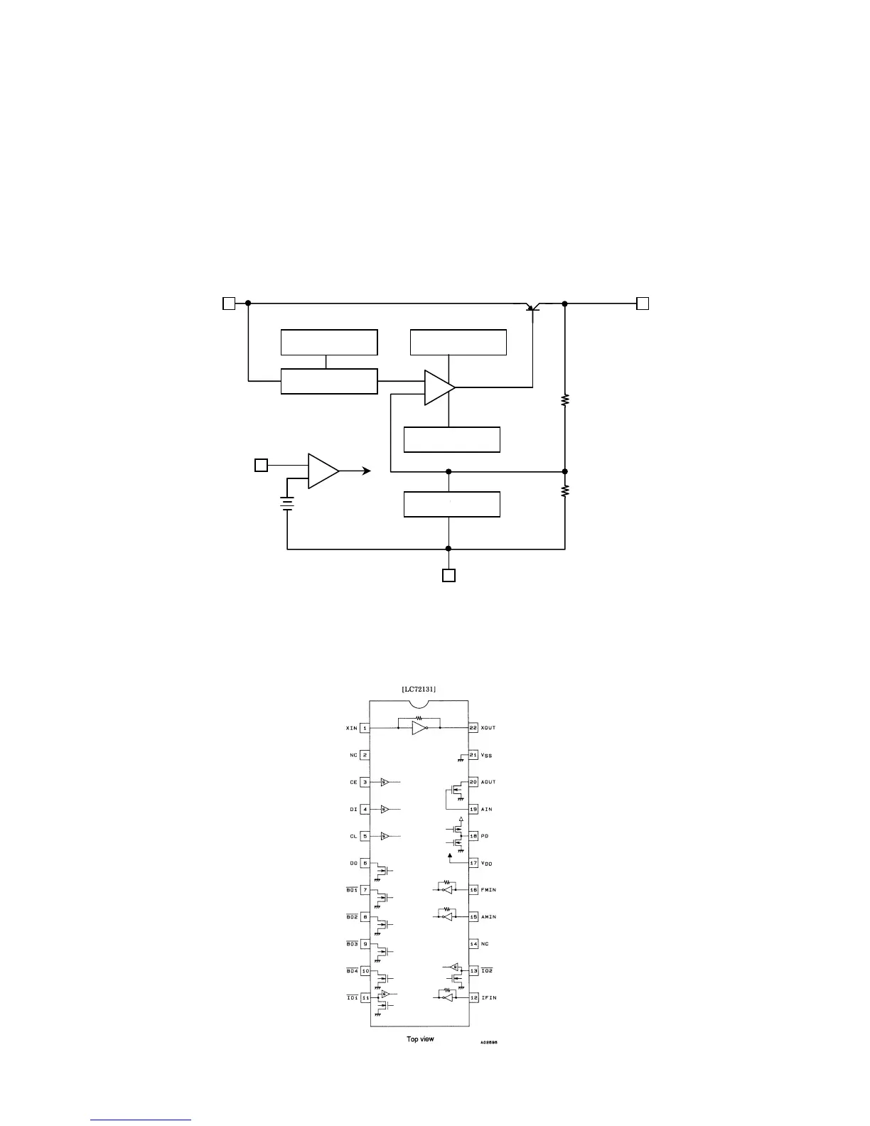
Internal Block Diagram
LC72131
AM/FM PLL Frequency Synthesizer

Related product manuals