EasyManua.ls Logo

LG FFH-286A - Page 39

LG FFH-286A
49 pages
Print Icon
To Next Page IconTo Next Page
To Next Page IconTo Next Page
To Previous Page IconTo Previous Page
To Previous Page IconTo Previous Page
Loading...
- 2-42 -
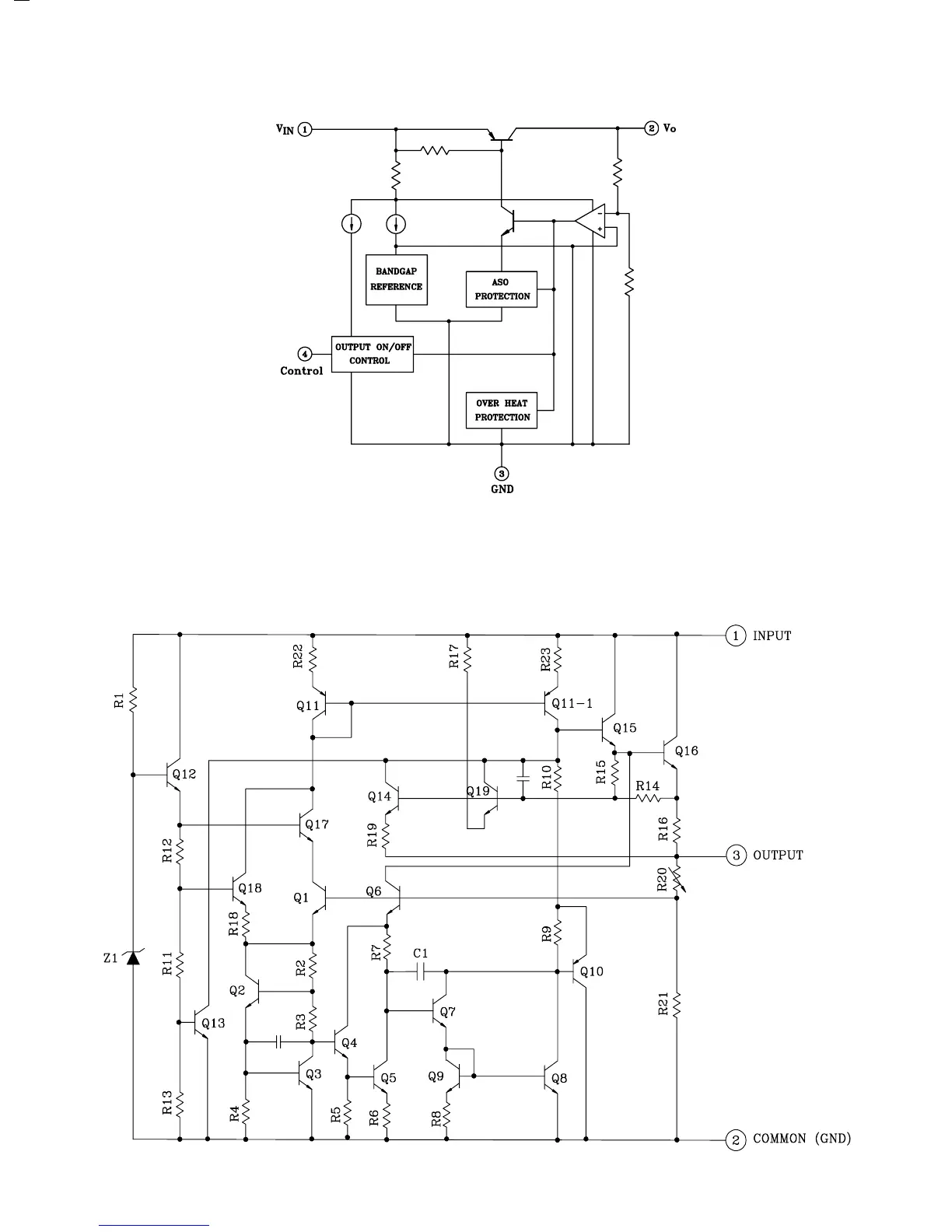
KIA7805AP/API
THREE TERMINAL POSITIVE VOLTAGE REGULATORS 5V, 6V, 8V, 9V, 10V, 12, 15V, 18V, 24V.
EQUIVALENT CIRCUIT
Block Diagram

Related product manuals