EasyManua.ls Logo

LG Flatron L1710B - Page 34

LG Flatron L1710B
40 pages
Print Icon
To Next Page IconTo Next Page
To Next Page IconTo Next Page
To Previous Page IconTo Previous Page
To Previous Page IconTo Previous Page
Loading...
- 34 -
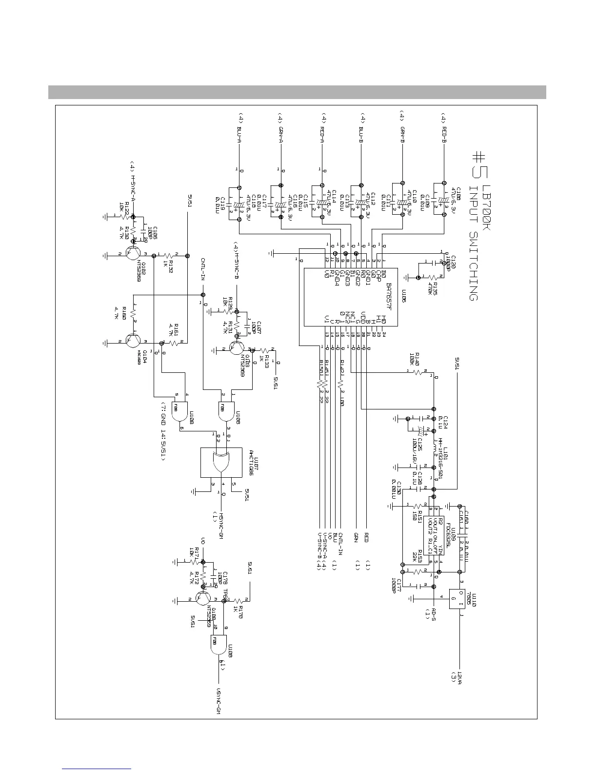
5. INPUT SWITCHING

Related product manuals