EasyManua.ls Logo

LG Flatron L1710B - Page 36

LG Flatron L1710B
40 pages
Print Icon
To Next Page IconTo Next Page
To Next Page IconTo Next Page
To Previous Page IconTo Previous Page
To Previous Page IconTo Previous Page
Loading...
- 36 -
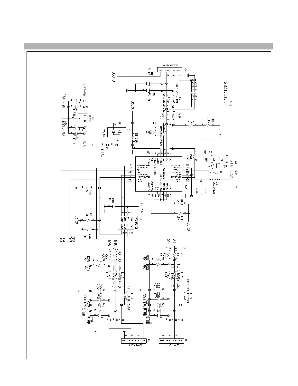
7.USB

Related product manuals