EasyManua.ls Logo

LG GR-642AVP - Load;Buzzer Drive and Door Detection

LG GR-642AVP
43 pages
To Next Page IconTo Next Page
To Next Page IconTo Next Page
To Previous Page IconTo Previous Page
To Previous Page IconTo Previous Page
Loading...
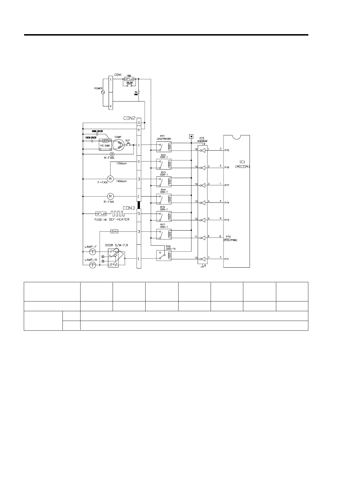
7-2-4 LOAD/BUZZER DRIVE & OPEN DOOR DETECTION CIRCUIT
1. Load Drive Condition Check
* When the door of the freezer/refrigerator is left open for 7 minutes or longer, the lamp of the freezer/refrigerator turns off
automatically.
- 25 -
Load Type
COMP
NO.16 NO.12 NO.10 NO.15 NO.14 NO.13 NO.11
1V or below
12V
Defrosting
Heater
Lamp
Freezer Fan
Motor
Standard RPM
Double cooling
Fan Motor
(R-FAN)
R-Lamp
Freezer Fan
Motor HIGH
RPM
Measurement Location (IC5)
Condition
ON
OFF

Related product manuals