EasyManua.ls Logo

LG GR-R463JCA - Page 41

LG GR-R463JCA
46 pages
Print Icon
To Next Page IconTo Next Page
To Next Page IconTo Next Page
To Previous Page IconTo Previous Page
To Previous Page IconTo Previous Page
Loading...
- 41 -
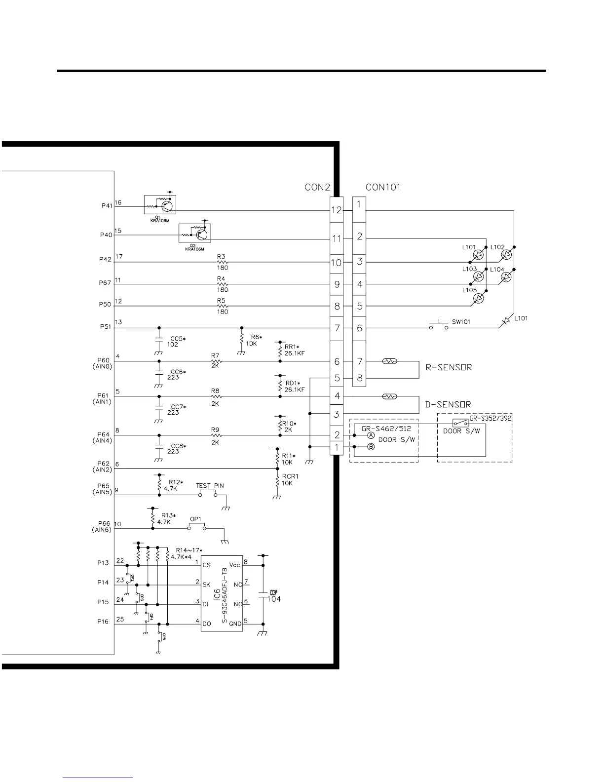
REF. TEMP. CONTROL

Related product manuals