EasyManua.ls Logo

LG LAN180HSV - Page 31

LG LAN180HSV
83 pages
To Next Page IconTo Next Page
To Next Page IconTo Next Page
To Previous Page IconTo Previous Page
To Previous Page IconTo Previous Page
Loading...
6RMI0-02A
30
Inverter Single
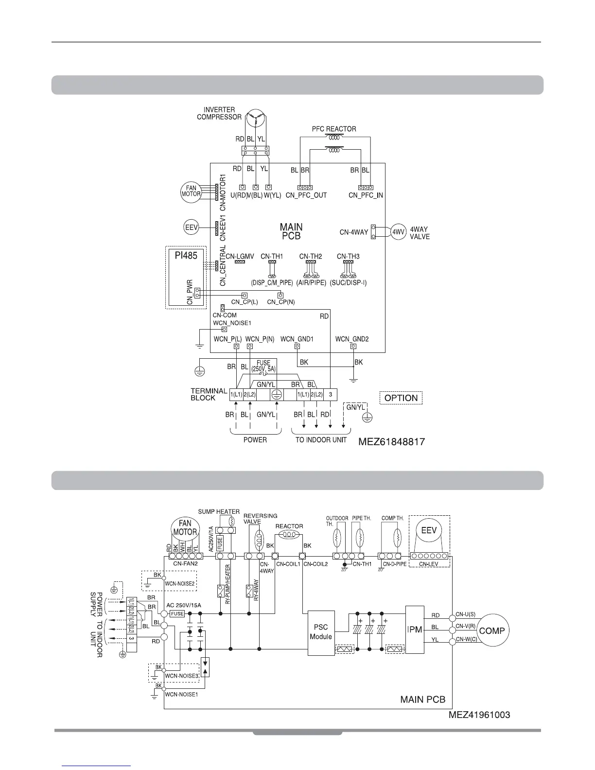
Wiring diagrams
Inverter Single
Inverter Single
Models: ASUW183C2U2(LSU181HSV),ASUW243DGU1(LSU240HSV),ASUW363DGU1(LSU360HV)
Models: ASUW093EUH1(LAU096HV),ASUW123EUH1(LAU126HV)

Other manuals for LG LAN180HSV

Related product manuals